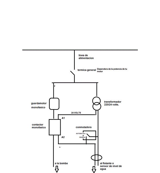
Como contecto un trafor 24 v,a un contactor 24 ,guardamootor y llave palanca manul-aut.a bomba monofasica
Como conecto una térmica a un trafor 24 v, ¿este a un contactor 24 v con guardamotor también a un interruptor tipo palanca para autmatico y manual .todo a una bomba centrif monofásica de 220 v?
1 respuesta
Respuesta de albert buscapolos Ing°
1


