Margarita Urquiza

Margarita Urquiza

 Argentina @margaritaurquiza desde - visto
Preguntar

Actividad pública reciente

Ha valorado "Excelente" la respuesta

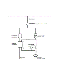
Como contecto un trafor 24 v,a un contactor 24 ,guardamootor y llave palanca manul-aut.a bomba monofasica

respondió: Te acompaño un esquema de lo que querrías hacer... de acuerdo a lo que puedo entender de tu descripción... La térmica general la ubicas a la entrada de la alimentación ( 220 Volts) pero estaría supeditada a la potencia de tu motor monofásico, así...