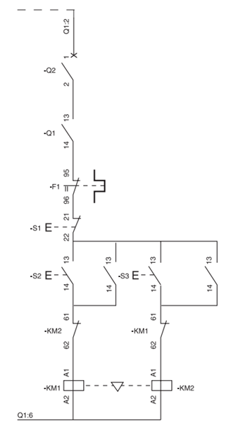
¿Cuál avería tiene el automatismo?
El operario de la máquina nos informa que detecta una avería en el funcionamiento. El motor funciona correctamente con KM2 activado. Cuando pulsa S2 el automatismo no responde a la solicitud y no efectúa ninguna variación. ¿Qué causa explicaría este aparente defecto de funcionamiento?
a) Un defecto del pulsador S2 que no cierran sus contactos NO (13-14)
b) Un contacto de la bobina KM1 abierto
c) Un defecto del contacto de autoalimentación 13-14 de K2M
d) Ninguna de las anteriores

1 respuesta
Respuesta de vicente14
1
