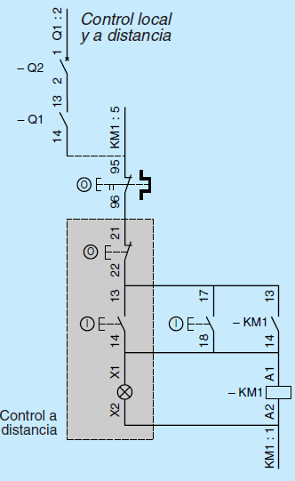
¿Que medida de tensión provoca la averiá?
La tensión del circuito de maniobre es 24VAC. Se detecta una avería sobre la instalación. Esta incidencia se produce cuando se acciona cualquiera de los dos dispositivos de marcha asociados a la puesta en marcha del mando K1M que controla el motor. Se cierran los respectivos seccionadores. Posteriormente se procede a la comprobación con tensión para la detección de avería. ¿Cuál de las siguientes medidas sería indicativa de la procedencia del tipo de avería?
a) Accionando el pulsador (13,14). La tensión entre el contacto 1 de Q2 y el contacto A1 de KM1 es 0V
b) Accionando el pulsador (17,18). La tensión entre el contacto 13 de Q1 y el contacto X1 es 0V
c) Accionando el pulsador (13,14). La tensión entre los contactos 96 y 18 es de 24V
d) Accionando el pulsador (17,18). La tensión entre los contactos 21 y X1 es 0V
