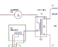
¿Donde puedo conseguir este tipo de transformador?
Busco información de este tipo de transformadores, donde comprarlo aquí en España y que salida de voltaje da, y luego este variador, donde puedo conseguir uno, información de él y si se puede usar con este transformador para conseguir




Un transformador variable. ¿Qué diferencia hay entre un variador y un balastro
Respuesta de Jose Miguel Sirgo Pascual
2 respuestas más de otros expertos
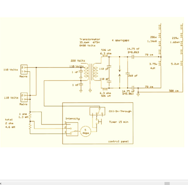
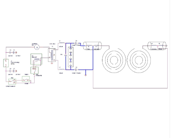
Respuesta de albert buscapolos Ing°
2
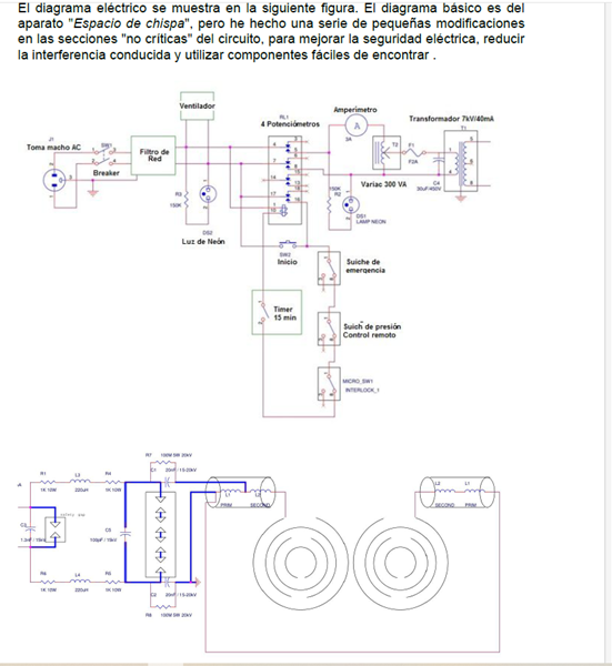
Respuesta de Rober Chispas






