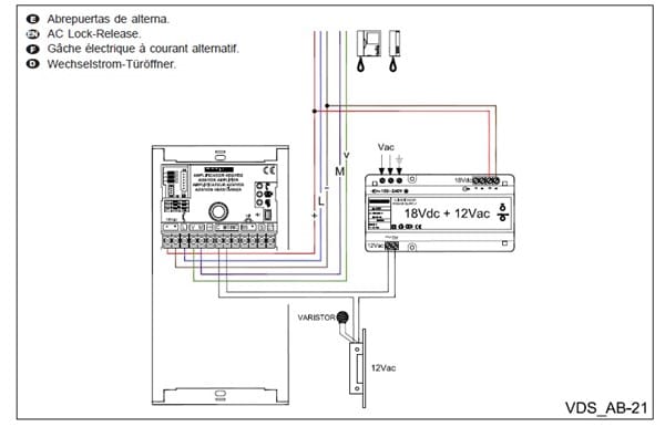
Esquema de conexión monitor loft ads fermax
He adquirido un vídeo portero loft para sustituir al Intel que tenía, el problema es que no me han dado la regleta donde conectar los cables y solo tengo el bus de 10 pines que sale del vídeo portero. ¿Alguien sabe a que corresponde cada uno de esos pines?
1 respuesta
Respuesta de david ..
1


