Fuente de alimentación simetrica, regulable con display
Necesito crear una fuente de alimentación simétrica. La idea es que sea regulable, y pueda al mismo tiempo añadirle sus respectivos dos display (de 7 segmentos, no hace falta que sea LCD), para no necesitar del multimetro cada que quiera utilizarla. Voy a requerir voltajes positivos y negativos, así que también haría falta por seguridad añadirle un seguro o alarma de corto-circuito.
He estado revisando un poco en internet, pero o encuentro la fuente simetrica, o fuente con display, pero no ambas en un solo circuito.
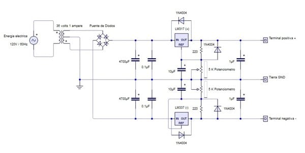
Este es el diseño que tengo para la fuente simetrica, tan solo que tengo problemas con el display.

Espero que aquí puedan orientarme un poco.
Gracias.-
PD: Si no fuera mucho pedir, estaría genial que me ayudaran también a que el control fuese digital en lugar de analogo, tengo entendido que puede utilizarse un potenciometro digital, pero no tengo idea de como implementarlo jeje.