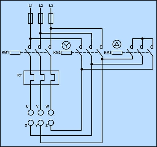
Supongo que te referirás a un motor con la bornera de seis terminales previamente identificados.
También supondríamos que tienes armado el tablero estrella- triangulo con el ( los) temporizadores correspondientes.
En el motor Deberías tener algo así: 6 terminales identificados.
U............V.............W
x.............y..............z
U... V... W los conectas al relé térmico de protección del motor.
x... y... z... Los conectas al salida del contactor de triangulo... y en paralelo con la salida del contactor estrella. Del otro lado del contactor estrella puenteas las tres líneas.

Si tienes identificadas las puntas ( habitualmente UVW ---entradas-------xyz salidas
No deberías tener ninguna dificultad para armarlo.
Notar que los símbolos del croquis están invertidos. El contactor identificado como estrella seria el triangulo... El contactor identificado como triangulo seria la estrella... El croquis no incluye ningún temporizador por lo que debe manejarse secuencialmente.
Si se te complica envía fotos de todo y podremos ayudarte más apropiadamente.
Albert creo que das por hecho que las tensión de la línea es la menor de las tensiones del motor. Puede que no sea así y se le dispare. - Tíboli Sam
Si... si ... suponemos que el motor permite el cruce estrella- triangulo. Pienso que eso ya lo tendrá aclarado quien pregunta. Buena observación. - albert buscapolos Ing°