¿Cómo calculo los componentes para un arranque Estrella-Triangulo?
Soy estudiante de ingeniería en mecatrónica y tengo dudas sobre los cálculos que tengo que hacer para elegir los componentes de un arranque estrella-triangulo, como lo son el Disyuntor, Los Contactores, El Relé térmico, El temporizador.
Datos del motor.
Voltaje nominal : 208-230/460 V
Corriente nominal : 14,3-12,9/6, 45 A
Cos fi 0.80/0.89,5
Frecuencia : 60 Hz
Agradecería mucho que alguien me apoyara. Saludos desde México.
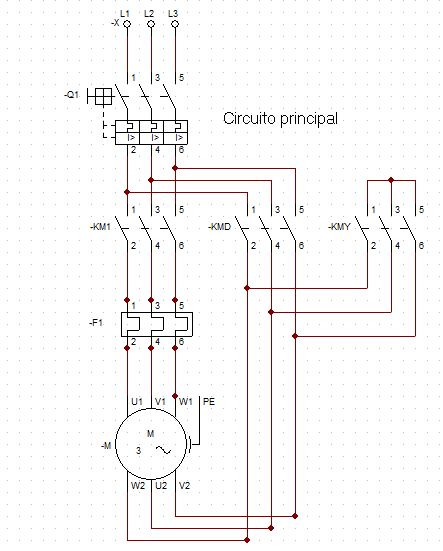
Aquí tengo mi diagrama simulado en CADe_SIMU.

1 respuesta
Respuesta de albert buscapolos Ing°