Encender luz del garaje por XX minutos al abrir la puerta del garaje
Recurro a vosotros para el siguiente tema.
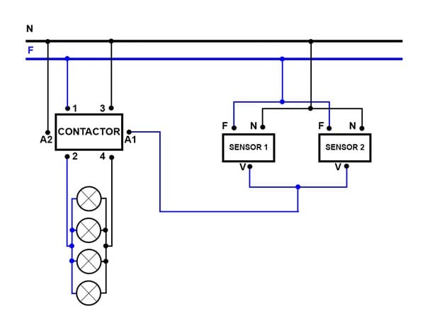
Dispongo que un garaje con una luminaria que me gustaría que se encendiese siempre que la puerta automática del garaje se abra. Que se mantengan encendidas XX minutos ( 1 o 2 minutos) y después se apaguen automáticamente.
Igualmente dispongo de unos conmutadores en la instalación eléctrica normal que a mi parecer deberían ir en paralelo al circuito que os pregunto para tener el funcionamiento normal de las luces del garaje.
¿Cómo seria el circuito y que componentes necesitaría para esta instalación?
Respuesta de Tíboli Sam
1
2 respuestas más de otros expertos
Respuesta de Rober Chispas
2
Respuesta de Antonio Escamez
1




