¿Que tensión de las que menciono es incorrecta?
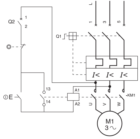
La alimentación de línea es de 230V III. Con motor trabajando a su régimen permanente, se procede a efectuar medidas para anotar valores de tensión para adjuntar y complementar documentación técnica del automatismo. ¿Cuál de estas medidas no sería posible registrar en condiciones de funcionamiento correcto?
a) Tensión entre L1 y W se registra un valor de 230V
b) Tensión entre A1 y borna 14 se registra un valor de 24V
c) Tensión entre Q2 (1) y borna 14 se registra un valor de 0V
d) Tensión entre L5 y W se registra un valor de 0V.

1 respuesta
Respuesta de albert buscapolos Ing°
1