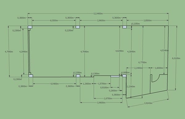
Entreplanta con estructura metálica en local de 68 metros cuadrados.
Tengo un local con vado de 68 metros cuadrados y una altura de 5 metros. Quiero hacer una entreplanta para dejar la parte de abajo solo para garaje y arriba como taller para mis aficiones.
Mi idea es hacer la estructura metálica y el piso con tableros de aglomerado que una vez montado podría pintar con una pintura tipo epoxi.
Mis dudas son en cuanto a la legalidad y a que materiales puedo emplear. He pensado en unos cuadradillos estructurales de 60X60x5 para las columnas, de 50x50x5 o unas doble T para las vigas principales y tableros de aglomerado 19mm.
La parte de entreplanta tendría que ser los 2 tercios a la derecha del dibujo
Gracias

1 respuesta
Respuesta de Prof. Francisco Poveda
1
