Como saber si una fuente atx oscila

Otra ves yo por acá tratando de aprender. Consulta. Tengo una fuente atx que por error le conecte una lámpara de auto de 60 wats al cable de color naranja que entrega 3.3V y 9A como máximo. Abrí dicha fuente y reemplace los electrolíticos que están a la salida de 12V por que estaban hinchados. La fuente intenta llegar a los voltajes pero se cae antes de alcanzar el voltaje máximo para cada salida. Ejemplo la salida de 12V llega a 10 V que llega con un continuo subir y bajar de tensión y a los 10V se cae pierde el voltaje. Revise todos los componentes de la parte de continua y ninguno presenta falla. Esta fuente lleva el IC LM3390 Quad comparator y el IC KA750080 que es el que controla el pwm. Chequie todo y a mi entender están bien. Creo que es correcto que el IC KA750080 este alimentado con 5V y a la salida mantiene los 5v medidos en el ping 13. Revisé el otoacoplador y esta bien, revise los transistore de swicheo y sus periféricos y meda todo bien, medí la tensión en los 3 doble diodos y fluctúa la tensión. Medí la salida del transformador chopper y también fluctúa el voltaje. Pregunto si esto es falla de que no oscila la fuente ¿puede ser? De ser así cual podría ser el motivo ya que medí todos los componentes y aparentemente están bien.

2 respuestas

Respuesta
3

1º) Por conectar a la salida de 3,3V una lámpara de 12V y 60W, no debería haberle pasado nada a la fuente. Una lámpara de esta clase tiene un resistencia en caliente de 12^2/60 = 24 Ohmios, y aunque en frío tendrá menos resistencia, será superior a la resistencia mínima que podrá soportar esta salida de la fuente, que es como mínimo de 3.3/9 = 0.36 Ohmios, o sea que la causa del mal funcionamiento será otro.

2º) Estas fuentes en vacío (sin carga) a veces hacen cosas raras. Cargue la salida de +5V (cables rojos y negros), con una resistencia de 1 Ohmio 25 W, y ve así el problema persiste. Esta salida de +5V tiene preferencia a todas las otras tensiones.

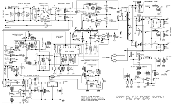
3º) La salida de 3,3V se obtiene de la de +5V por medio de un post-regulador, que es fácil de desconectar. Vea un esquema tipo de estas fuentes:

 

Si desconecta los diodos D29 desconecta la fuente de 3,3V.

El circuito integrado KA750080, es una copia china del TL494.

¿Sigue haciendo lo mismo?

Hola Botijo7 Gracias por responder. Te comento interrumpí el circuito de los V3.3 pero las otras tensiones seguían fluctuando, volví a conectar el diodo y la fuente seguía igual que al principio, repase algunas soldaduras de la tarjeta que aparentemente estaban con una aureola marrón y la fuente ahora en v 12 y v 5 se elevó demasiado, siendo para los cables amarillos que tendrían que tener los 12v ahora esta en v17 los cables rojos que son los de v5 ahora esta en v7 y los anaranjados que son los de v3.3 ahora esta en v-1.7 (menos 1.7v) si bien están bastante estable las tensiones pero no son las correctas

¿La ha cargado con los 5A en el +5 (resistencia recomendada)?

Para detectar donde se produce la oscilación, lo que sería útil sería un osciloscopio.

Las áreas del circuito impreso con aureola de color marrón (tostadas) delatan calentamiento, pero suele ser normal.

Si realmente oscila (con la carga citada), creo que la causa pueda ser la pérdida de capacidad de los condensadores electrolíticos, antes los de las salidas, que los de la entrada. ¿Ha probado de cambiarlos?

Respuesta

¿Alguien sabe donde conseguir schematicos de funetes de pc sentey?

Añade tu respuesta

Haz clic para o

Más respuestas relacionadas