Circuito regulador no funciona y quema el potenciómetro
Estoy armando una fuente de laboratorio con un cargador de notebook y el circuito regulador que muestro en la foto .La conexión entre el regulador y la fuente es como la describo en la imagen pero no puedo hacer que funcione el regulador. Cuando enciendo todo, mido el V en la salida y me da el V que me indica la llave selectora de la fuente (por ej. Si la llave está en 15 V, el multímetro me muestra 15 V). Esta llave selectora venia en la fuente y no la necesito para nada, tal vez tenga que anularla, pero no sé cómo. También les dejo una imagen de como coloque el potenciómetro, quizás lo interprete mal. Cuando el pote lo giro hacia la derecha no pasa nada, el V no se modifica. Si giro el pote hacia la izquierda (hacia el pin que va a masa) el pote se termina quemando y el V tampoco se modifica. Ya revise las conexiones del regulador y están todas bien, incluso la del LM 317, que en el esquema muestra los 3 pines en un orden diferente al real. Todos los demás componentes están colocados en el lugar y orden correctos. La fuente de notebook es nueva y funciona bien.


1 Respuesta
 
                El montaje parece correcto, aunque el dibujo se vea algo "retorcido". Nunca he utilizado simuladores, pero creo que los dibujos pueden quedar mejor... ¿no?
Está claro que el circuito no funciona, y no es extraño que el potenciómetro se queme, porque en un extremo soporta toda la tensión de 15V, porque los reguladores no regulan. El potenciómetro de 10K es demasiado grande. Mejor use uno de 5K, como recomiendan todos los esquemas.
Entiendo que usa 4 LM317 porque quiere obtener 4 A de corriente de salida. No es una buena solución, mejor utilizar un LM338, que puede entregar esta corriente él solo. Es idéntico al LM317 pero más potente.
http://www.ti.com/lit/ds/symlink/lm338.pdf
Haga una cosa: Deje un solo LM317 y vea si le funciona. Compruebe si la conexión de sus pines es correcta, si los diodos están conectados en el sentido adecuado y también los condensadores. Si le funciona con uno solo pruebe con los otros uno a uno, y coméntemelo. Trataría de proponerle una solución a utilizar 4 en paralelo
Tuve un profesor que nos decía : "Los circuitos no se equivocan, son los alumnos..." Suerte.
 
                Ok, gracias. Probare con un pote de 5 k.Lo de los 4 lm 317 es correcto, probare primero de a uno y si no detecto el problema tratare de reemplazarlos por el LM 338. La conexión de los pines esta correcta, y los demás componentes (diodos, condensadores) también están correctos. Otra cosa... todo esto no lo monte en una protoboard, lo uni todo con cables de fuente atx... no se si esto puede traer una complicación (los 4 lm 317 están colocados en un disipador)
 
                Mejor, los protoboards, no están preparados para corrientes fuertes, además complican los montajes. Los odio... Mejor con cables gruesos y soldados.
 
                Bueno, les comento como me fue:efectivamente uno de los 4 lm317 no estaba funcionando (el primero, el que esta arriba en el diagrama del regulador). Los probé a los 4 y ese fue el que no paso ninguna prueba (me daba continuidad entre todos sus pines y además lo probé con un circuito regulador básico:pote de 10k, resistencia de 1k, voltímetro y fuente de 12V-1A). Lo reemplace por otro(que también lo testee previamente) y volví a montar todo.
La fuente de notebook que tengo tiene un selector de 7 posiciones.Probé el circuito con esta llave en intentar de 12 V y funciono perfecto. Luego probé con la intentar de 18 V y también funciono. Pero cuando probé con el máximo voltaje que entrega mi fuente, que es 24 v, me paso lo mismo que al principio: se quemo el pote al girarlo hacia la izquierda. Reemplace el pote y volví a hacer las mismas pruebas, empezando por 12 v pero esta vez iba a pasar por las 7 posiciones. Pero al probar con la primer intentar (12 v) se me volvió a quemar el pote al girarlo a la izquierda. Desmonte los lm 317, los testee uno por uno y note que el cuarto no estaba funcionando. Evidentemente hay algo que me esta dañando los lm 317. El primero que fallo realmente nunca lo testee antes de montarlo al principio (así que puede que haya venido con fallas). Pero el que se rompió después si lo había testeado y además (con 12 y 18 v) funcionaba. ¿Puede ser que tenga algo que ver el disipador? ¿Por qué como los pines VOut tienen continuidad con la parte donde va el tornillo que los sujeta quizás pueda ser esto? La verdad que no quiero seguir haciendo más pruebas porque voy a terminar dañando todos los reguladores. Pareciera ser que los 24 v fueron mucho para el circuito.También probé, como me indicaron, los 2 diodos y funcionan bien. ¿Alguna idea?
 
                Bueno, les comento como me fue:efectivamente uno de los 4 lm317 no estaba funcionando (el primero, el que esta arriba en el diagrama del regulador). Los probé a los 4 y ese fue el que no paso ninguna prueba (me daba continuidad entre todos sus pines y además lo probé con un circuito regulador básico:pote de 10k, resistencia de 1k, voltímetro y fuente de 12V-1A). Lo reemplace por otro(que también lo testee previamente) y volví a montar todo.
La fuente de notebook que tengo tiene un selector de 7 posiciones.Probé el circuito con esta llave en intentar de 12 V y funciono perfecto. Luego probé con la intentar de 18 V y también funciono. Pero cuando probé con el máximo voltaje que entrega mi fuente, que es 24 v, me paso lo mismo que al principio: se quemo el pote al girarlo hacia la izquierda. Reemplace el pote y volví a hacer las mismas pruebas, empezando por 12 v pero esta vez iba a pasar por las 7 posiciones. Pero al probar con la primer intentar (12 v) se me volvió a quemar el pote al girarlo a la izquierda. Desmonte los lm 317, los testee uno por uno y note que el cuarto no estaba funcionando. Evidentemente hay algo que me esta dañando los lm 317. El primero que fallo realmente nunca lo testee antes de montarlo al principio (así que puede que haya venido con fallas). Pero el que se rompió después si lo había testeado y además (con 12 y 18 v) funcionaba. ¿Puede ser que tenga algo que ver el disipador? ¿Por qué como los pines VOut tienen continuidad con la parte donde va el tornillo que los sujeta quizás pueda ser esto? La verdad que no quiero seguir haciendo más pruebas porque voy a terminar dañando todos los reguladores. Pareciera ser que los 24 v fueron mucho para el circuito.También probé, como me indicaron, los 2 diodos y funcionan bien. ¿Alguna idea?
 
                Todo tiene su explicación, y lo que toca es no desanimarse y pensar...
Lo del giro del potenciómetro a la izquierda, no explica nada. El sentido de aumento o disminución de la tensión de salida, se corresponde con el aumento o disminución de la resistencia del potenciómetro, y esto sucede girando la derecha o a la izquierda, según como esté conectado el potenciómetro, o de qué lado se mire.
Por lo que explica, el potenciómetro se quema, cuando el voltaje de entrada al regulador es de 24V, y sus posiciones extremas son cero o 10K Ohms. La posición 0 debe corresponderse con el mínimo de tensión de salida del regulador, y la de 10 con el máximo: Como no me queda claro en que posición el potenciómetro se quema, estudiaré dos casos:
Para dilucidar lo que pasa, son necesarias dos cosas: Conocer los datos del LM317 y usar las "odiosas" Matemáticas.
Según la hoja de características del LM317 la corriente que deriva el terminal de ajuste es de 0,1nA, y la tensión mínima de salida es de 1,2V (potenciómetro en 0). Esto significa que entre el terminal de salida y el de ajuste hay siempre 1,2V y por lo tanto la corriente que circula por la resistencia de 220 es de 1,2 / 220 = 5,45mA.
http://pdf1.alldatasheet.com/datasheet-pdf/view/8619/NSC/LM317.html
A través de potenciómetro, circulará en cualquier caso, una corriente igual a 5,45 + 0,1 = 5,55mA ¿Correcto?
Los potenciómetros corrientes de carbón pueden disipar como mucho¼ de Vatio = 0,25 W.
Pues bien según la fórmula de liga la potencia con la resistencia y la corriente: W = R x I^2.
En este caso 0,25 = R x (5,45 x 10^-3)^2, lleva a un resultado para la R del potenciómetro = 8416 Ohmios. Si el potenciómetro es de 10K, la potencia que se desarrollará en él será de 0,297 W, por encima de lo que puede disipar el potenciómetro, y por lo tanto se quema…
Te aconsejé utilizaras un potenciómetro de 5K, pero no lo hiciste. Cuando en los esquemas básicos se recomienda un valor, no es por capricho, si no, que alguien lo ha calculado. Aplícate el cuento.
 
                Hola.Los potes que se quemaron siempre lo hicieron al girarlos a tope a la izquierda, que seria hacia el pin que esta a masa (que correspondería a llevarlos a 0V). Si los llevo al otro extremo no se queman. Este circuito regulador me lo paso un colega que da cursos de reparación de notebook a nivel electrónico y el lo realizo y le funciono tal cual. Como se supone que debe funcionar con los componentes indicados, creería que estoy teniendo una falla simple que no puedo ver.(Armar esta fuente ni siquiera formó parte de una clase de ese curso.Era solo una sugerencia y no debería habérseme complicado tanto. Incluso ya termino de dar todas las clases y esto lo mostró en la primera, como una opción en caso de no poder comprar una). Por todo esto intuyo que le estoy errando en algo muy pero muy simple.Lo del pote de 5k igual lo quiero probar, pero estoy pensando que la falla puede venir por otro lado, que si es lo que pienso, es una pavada que se me paso.De todas formas voy a subir los resultados de la prueba que voy a hacer.
Y te hago otra consulta: en las pruebas que funcionaron noté que el pote es medio impreciso en su parte media (hay partes que lo muevo varios mm y el V quizás cambia en un 0.01 V y de golpe sube varios V). ¿Esto por qué podría ser? ¿Es por el tipo de potenciómetro o por su valor de 10 k? ¿Podría cambiar algo de esto con el pote de 5k?(O sea aparte del problema de que se queman)
Como veras son preguntas sencillas que si tuviera más conocimiento las podría resolver solo. Saludos y gracias
 
                Con entrada de 24V, estimo que el voltaje máximo obtenible en la salida será de unos 22V. Esto se corresponde a un valor calculado del potenciómetro (con la resistencia de 220), de 4,033 K. es decir hacia algo más de la mitad de su recorrido (si es de 10K), y el cambio en el voltaje de salida se notará al reducir hacia cero el potenciómetro. Todo el resto del recorrido hasta los 10K es baldío, y quizá provoque inestabilidad, debido a que su valor no deja pasar los 4,45 mA, no lo lleves hacia allí.
Puede ser que el potenciómetro esté medio quemado y no haga buen contacto, y otra cosa, debe ser lineal no logarítmico (los logarítmicos se usan para los mandos de amplificadores o radios).
 
                Hola! Finalmente pude hacerlo funcionar al ponerle el pote de 5k.Probé con todas los V disponibles de la fuente de notebook y en todas las posiciones del pote y en ningún caso se quemo. Gracias
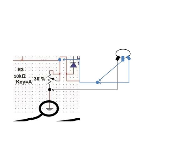
Lo que surgió ahora es que lo estaba terminando de probar para ya montarlo en su cajita estanco y cuando le conecto el voltímetro no pude hacerlo que midiera los V.Medí los V con un multímetro a la salida final de la fuente (que seria el pin que alimentará la notebook) y mide lo más bien.También mide bien en el punto del esquema donde se juntan el + del amper y el + del voltímetro. Pero pareciera que el V no entra al voltímetro (que en anteriores pruebas si funciono con el circuito regulador básico que ya mencione, el de 12v, pote y resistencia.O sea que el voltímetro funciona ).Quizás le estoy errando en las conexiones.En el esquema del regulador esta el voltímetro separado del amperímetro, pero el que yo tengo es un volt/amp con dos conectores (uno de dos pines para el amperaje y otro de tres pines :2 para alimentar y uno amarillo para medir V). Este volt/amp se alimenta con una fuente independiente de 12 v (que correspondería a 2 de los 3 cables del segundo conector). El cable amarillo es el que calculo debo soldarlo junto con uno de los cables del primer conector de la parte de amperaje, pero no mide nada.Probé colocarlo antes y después de esa intersección y tampoco.También probé soldarlo junto con la punta del otro cable del amperaje y nada...
Me parece raro que me este equivocando en el orden de los cables porque, como te dije, este volt/amp funciono en el circuito básico con el que probé los lm317
- Compartir respuesta
