Que es mejor un filtro( condensador + resistencia en serie)en la fase, antes de un puente de diodos, y el neutro directo
Al puente de diodos, o colocar después del puente de diodos entre - y + un condensador es decir, en paralelo, y una resistencia después del condensador desde el polo - es para realizar una lámpara de leds vos opinen la tensión es 127 A.C. Corriente alterna
1 respuesta
Para alimentar los Leds necesitas corriente directa. Luego el sistema de filtrado lo colocas después del puente rectificador. El capacitor será electrolítico y la resistencia irá en serie para reducir la corriente de acuerdo con la cantidad de leds que debes alimentar ( y la forma en que los conectes). Recién después de saber la tensión y corriente que te tomarán los leds que utilices podrás dimensionar la resistencia de caída. A los fines del caso y si partís de 127 volts A.C. la tensión de vacío en el capacitor te llegará a unos 180 volts. En base a esta tensión D.C... y a la corriente y tensión que te resulte para alimentar a la lámpara creo que sabras calcular la resistencia necesaria por Ley de Ohm.
Si la se 2^1/2 * 127 - n leds * 3.6 v/ 0.02 A pero yo pregunto cual es mejor filtro y también se que los leds aguantan creo que 10 veces la intensidad mínima, ya lo malo del condensador es que eleva a voltaje de pico lo he visto Por wiki, yo quiero saber Cual es el mejor filtro? Pero filtra el C
Si pones por ejemplo 10 leds en serie.......la resistencia sería = (1.4142) x 127 - 10 x 3.6 / 0.02 = 144 V / 0.02 A = 7200 Ohms. Con una disipación de 3 Watts.
¿De dónde sacas que un led aguantan 10 veces la intensidad mínima?
El condensador es el filtro ... porque te aplana la tensión de salida del puente de diodos que pulsa a 100 Hz. O sea te hace la tensión más uniforme. Pero te harian falta otros elementos para estabilizar la salida.
De todas maneras discúlpame pero creo que lo que pensás hacer no es ni de buen rendimiento ni seguro. Lo más racional seria que ... averigües o calcules la tensión de c.c. necesaria para alimentar tu lámpara ( p. ej. 55 volts c.c.) ... le sumes las caídas del puente rectificador ( unos 2 volts máx.) ... te daría un total de 57 volts ... y luego busques la tensión secundaria de un transformador... por ejemplo serían 57 / V2 = 40 volts eficaces c.a...
Luego le pones a la entrada un transformador reductor de 127 / 40 volts - 50 watts - ... el puente rectificador... un capacitor de filtrado de 2200 x 100 volts y tendrás lista tu fuente.
Quería decir 50 leds y cada led aguanta 10 veces 0.02 A Y la f=60 hertz eso si no forzarlos con una resistencia
Si eso si, que la disipación sea inferior y pocos watios
Me refiero a este esquema busque vos en YouTube conectar leds a 127 v y al principio sale el esquema yo añadiría después del puente de diodos una resistencia
Lo que no se es el voltaje alterno en los diodos
Aquí se trataría de otro diseño.. la caída de tensión es a través de la impedancia de un conjunto serie RC - puesto antes del puente - y todos los valores los calculan conociendo la cantidad de diodos led que deseas encender.
Decime la cantidad de diodos en serie que quieres prender y te indico los valores de R y C ... debes utilizar un puente de diodos rectificadores para 1 Amp / 1000 volts pico inverso o más... También debes indicarme la tensión de entrada ( ¿son 127 volts c.a.?) Y la frecuencia en Hz...,... Pero cuidado... estas alimentando todo en forma directa sin transformador separador por lo que todo debes armarlo bien aislado de masa y no tocar ningún punto expuesto del circuito. Tampoco ubiques los led encerrados herméticamente ya que producen calor que debe disiparse... haz que trabajen bien ventilados naturalmente.
Si 127 v ac. 60 hertz y 50 leds ya esta vos decidís
Y la tensión en el puente de diodos cual seria, antes y después de rectificarla he visto en la wiki si son ejemplo 12 ac. 12. - 2 * 0.7 v=10.6 v en teoría
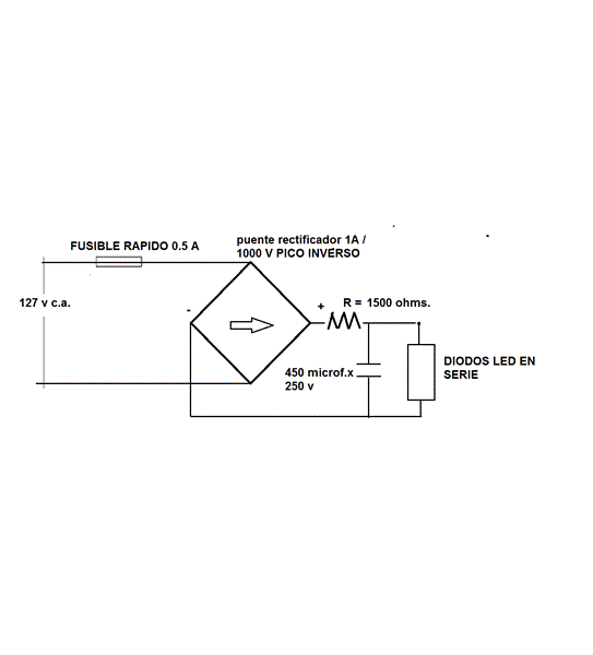
Te participo diseño para alimentar tus 50 diodos directamente de 127 volts... si es esto lo que queres lograr... Pero te repito... estas alimentando todo en forma directa sin transformador separador por lo que todo debes armarlo muy bien aislado de masa y no tocar ningún punto expuesto del circuito. Tampoco ubiques los led encerrados herméticamente ya que producen calor que debe disiparse... haz que trabajen bien ventilados naturalmente.

¡Gracias!
Pásame los cálculos que has hecho sino es mucho pedir y así tengo ya la idea
Cantidad de diodos que pensás alimentar en serie : 50
Lo hago en base a 3 volts por led - para estar a cubierto. 3x 50 = 150 volts.
Tension de entrada 127 volts c.a..al puente................tension de salida del puente = 127 x V2= 180 volts aprox.( caida en los diodos del puente la consideras despreciable frente a la tension de trabajo)..............caida en la resistencia limitadora:
R=180 - 150 / 0.020 = 1500 ohms. Tienes que moverte alrededor de este valor nominal. Variaciones max. En un 15/20 % no serán peligrosas para los diodos LED. Caen los 30 volts sobre R. Además R te protege también al puente rectificador cuando al principio encuentra al capacitor C descargado. El fusible rápido es un cartucho normal en tubo de vidrio y se enchufa en al zocalo correspondiente. El capacitor C podría no estar pero tendrías alguna disminución y/o titilacion en el brillo de los led. Este capacitor será electrolítico y aquí Bs Aires se consigue por unos 10 dolares. La resistencia debe estar si o si.
Si no te molesta avisame resultado cuando lo tengas funcionando.
- Compartir respuesta