Circuito y Alimentación Motor 220V DC
Tengo que alimentar un Motor de 220V en DC de una potencia de 350W.
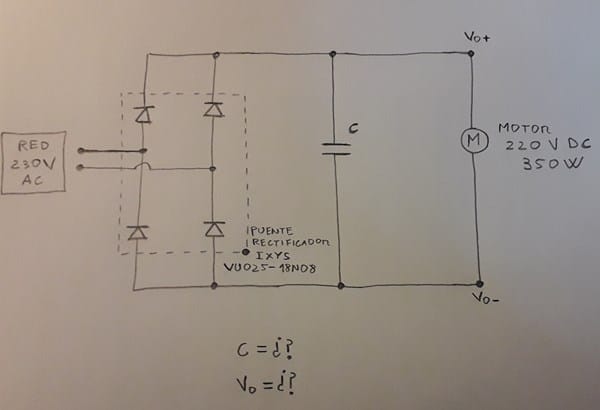
He pensado en alimentarlo mediante el circuito de la imagen.
Consiste en alimentar desde el enchufe de la Red Eléctrica AC, un puente rectificador para que me transforme de alterna a continua. Luego un condensador C para que filtre y estabilice y reduzca rizado en la señal dc. Y por último ya alimentar el motor.
Mis dudas son las siguientes:
- ¿Qué tensión tendría en el punto Vo? ¿Sería próxima a la tensión del trabajo del motor?
- ¿Esto funcionaria para poder alimentar el motor de esta forma?
- El condensador C tendrá que ser de 400V. ¿Pero de cuantos microfaradios?
Al esquema eléctrico de la imagen solo le faltaría añadir por mi parte algún fusible, o magnético y diferencial. ¿Hay algo más que creéis
¿Qué seria necesario añadir?

