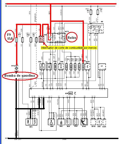
La Bomba de Gasolina no funciona
Ayer iba conduciendo normalmente y cuando estacioné el coche se paró, luego comprobé que no le llegaba gasolina a los inyectores, ¿Puede ser la Bomba, o problemas de fusibles o relex?, tengo un Peugeot 306 Graffic del 98. ¿Qué tengo que hacer, para comprobar el problema?.
1 respuesta
Respuesta de Ramon Verdial
1
