Medición de potencia motor trifásico
As), me encuentro realizando un experimento en donde mido la potencia Activa consumida por el motor eléctrico trifásico de una máquina cortadora de metales (corte por disco abrasivo).
La red que alimenta la máquina es de 380V 50Hz. El motor eléctrico es de 4Kw, en conexión estrella, de 2880 RPM.
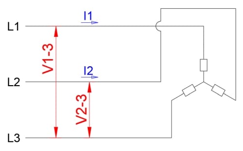
Realicé la experiencia con una Pseudo "conexión Aron", utilizando el método de los "2 vatímetros o Wattmetros" y lo escribo entre comillas ya que no disponía de vatímetros y utilicé 2 multímetros y 2 pinzas amperimétricas. Y aquí es donde surge mi duda y acudo a Uds. En busca de claridad, ¿si fuesen tan amables me podrían responder las siguientes preguntas?
1.- ¿Es equivalente utilizar un multímetro y una pinza amperimétrica en vez de un vatímetro?
2.- En el caso que la respuesta a la pregunta 1 es "Si". ¿La lectura de este vatímetro equivalente, sería Voltaje x Intensidad? ¿O hay que multiplicar por el Cos(fi)?
3.-En el caso que la respuesta a la pregunta 1 es "No". ¿Puedo de todas formas calcular la potencia activa mediante la expresión P=(Raíz de 3)*(Voltaje)*(Intensidad)*(Cos(fi))?
Por favor si me pueden guiar en este tema.

