Conectar relé a abrepuertas de portero automático digital
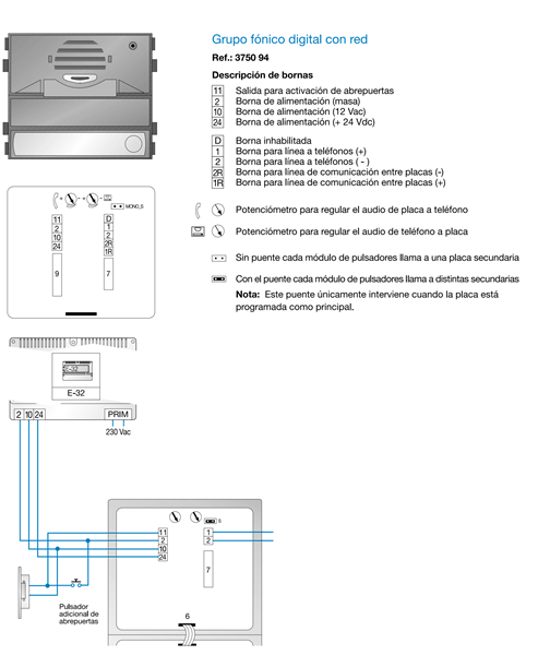
Quiero conectar un relé shelly para poder abrir la puerta desde el móvil, pero no me queda claro al 100% en que bornas lo tengo que conectar, creo que en la 11 y la 2, pero no estoy seguro, ¿me puede alguien confirmar? Gracias.

2 respuestas
Respuesta de Rober Chispas
Respuesta de JS BP
