Anular manilla exterior puerta jardín con portero automático
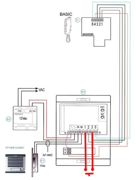
Tengo una puerta de acceso al jardín de un dúplex. Cuando llaman no hay ningún problema, abro y funciona. Luego está puerta se cierra y para salir de nuevo, tengo que ir al telefonillo de la cocina para abrir y accionar la cerradura. Quiero poder abrir desde dentro sin utilizar el telefonillo. La puerta tiene manilla en el exterior e interior con cuadradillo. ¿Debo cortar el cuadradillo para que solo se accione la manilla interior para poder abrir? Si hago esto, cualquier con un palo por arriba de la puerta puede empujar está manilla interior para abrir. ¿Alguna solución?.
1 respuesta
Respuesta de Rober Chispas


