Generadores stamford de 27 kva conexion monofasica

Quien me puede indicar la conexión de un avr sx 440 a un generador conectado bisafico anteriormente conectado en trifásico

1 respuesta

Respuesta

¿

¿Podrás enviar la chapa de características del generador que comentas?

Esta conectado a estrella paralelo pero a una transferencia bifásica, y dejaron una fase sin carga, daño el avr genérico y antes de ese tenia un sx 440, quiero hacer el cambio a doble delta, dos fases y neutro. Quiero asesorarme más de como conectar esa tarjeta

tendra un num wsp?

No doy referencias por este medio.

Te anricipo que haciendo la conexión de delta - paralelo para pbtener monofásica de tres hilos, según entiendo tu pregunta, obtendrías 220 volts a ambos lados del neutro común. O sea 440 volts entre líneas.

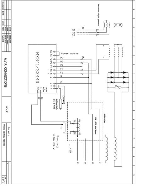
El AVR que decís, necesita alimentarse con 220 volts que tomarías entre una línea y neutro, y el sensor de corriente sobre la otra línea. La tercera te quedaría libre. Te acompaño esquema de conexionado del mismo, para que procedas a verificar todo antes de ponerlo en funcionamiento.

Saludos. Bueno te explico más a detalles. Primeramente el generador esta conectado en estrella en paralelo. Para sus tres fases y el neutro. 220 entre fases 120 fase neutro. Pero esta conectado a una fransferencia monofásica. Dos fases y el neutro. Se quiere cambiar la conexión del generador a monofásico para así tener las dos fases que se requiere en la transferencia y su neutro, de acuerdo a la conexión doble delta es la que se piensa hacer. Para sus dos fases y su neutro.

esta es la conexion que tiene 

esta es avr que tiene

la conexion que se quiere hacer

y el avr que se piensa conectar

Si... la conexión que proyectas hacer es correcta Tensión UW = 2 Tensión UN. Seria una generación monofásica a 3 hilos, 2 " vivos" + 1 neutro común. Supondría que la distribución a alimentar es de ese tipo. Guiate por el diagrama para hacer los puentes en bornera. Si en lugar de letras te los identifica con números ( del 1 al 12) te indico los códigos.

Te repito... El AVR que decís, necesita alimentarse con 220 volts que podes tomar entre los dos " vivos"que salen y el sensor de corriente sobre cualquiera de las dos vivos. Manejate con el esquema que te mandé. Hace las conexiones arráncalo, y proba el conjunto incrementado gradualmente la carga. Cualquier duda volvés a consultar.

Añade tu respuesta

Haz clic para o

Más respuestas relacionadas