¿`Por qué se habla de poalridad de un transformador en alterna? ¿Qué es la regulación de un trafo?
¿Por que se habla de polaridad de un trafo en alterna cuando en alterna no hay polaridad
¿Y qué viene a ser la regulación de un transformador?
2 respuestas
Polaridad de un transformador significa conocer e identificar los bornes homólogos de cada arrollamiento.
Bornes homólogos son aquellos extremos de arrollamiento por las que entrando la corriente instantánea primaria por uno de ellos sale por su homologo secundario. Es decir, un transformador monofásico tendrá dos puntas homologas una lado primario y una lado secundario.
Se identifican en cada arrollamientos con un punto, y sirven para diseñar correctamente combinaciones de transformadores ya sea mono o trifásicos.
Hola pero en alterna, no tiene mucho sentido hablar de eso porque la polariday cambia constantemente no?
Los bornes homólogos se pueden determinar correctamente con corriente alterna o continua,
Tienen fundamental sentido en los transformadores, el poderse determinar el sentido de la corriente instantánea saliente conociendo el sentido de la entrante. De lo contrario no podrían ponerse en paralelo dos o más transformadores sin correr el riesgo de arruinarlos.
Es porque al conectarlos en párale lo ....si conectas un cable saliente con uno entrante...Que puede pasar?
No funcionaría?
Sabras que para hacer un paralelo de fuentes tenes que conectar{ + con +} y{ - con - }.
De esa manera - si son dos pilas semejantes por ejemplo - tendrás una pila equivalente del doble de capacidad de una de ellas. Si las conectas al revés, cada una se descargará sobre la otra originándose una alta corriente, se recalientan e inutilizan muy rápidamente,
Los secundarios de dos trafos semejantes conectados con polaridades opuestas ( salida de uno con entrada del otro) entregarán corrientes muy elevadas, equivalentes prácticamente a un cortocircuito secundario, que además recargará el circuito primario de cada uno recalentadolo rápidamente. Colapsan ambos transformadores. Obviamente antes de que esto ocurra actúan las protecciones de ambos abriendo el circuito. ¿Comprendistes James?
Si..............voy a buscar un video que enseñe como conectar un transformador en paralelo....porque supongo no es soplar ya hacer botella, debe tener su ciencia
Yo pensaba que eso pasaba solo en CD ... pero siendo CA, no imagine que también había que respetar la polaridad
Si, porque fíjate que si los extremos del primario monofásico son alternativamente (+) y (-) los extremos del secundario los tienes que buscar porque dependen del sentido del arrollamiento. De ahí viene la denominación de polaridad. El extremo (+) del primario tiene que homologarse con el borne (+) del secundario, Así las cosas podes asegurar que entrando instantáneamente la corriente por el (+) del primario estará saliendo instantáneamente por el (+) del secundario.
Ok voy a buscar información de como se hace o que indicación hay que tomar en cuenta para conectarlos porque con las pilas es fácil............, ya que tienes las indicación de polaridad pero con los transformadores no hay ninguna señal o indicación para conectarlos
Son más caros que los monofásicos, no se fabrican para pequeñas potencias y necesitan tensión trifásica para poder hacer algún tipo de ensayos. Igualmente podes armar un transformador trifásico conectando tres monofásicos, siempre y cuando poseas suministro trifásico.
Y cómo se conectaría en en ese caso ?......se conectarían en estrella..... triángulo...... en serie paralelo......cómo sería?
Con lámparas se hacerlo pero con transformadores me mareo porque llevan 4 cables cada uno... es más complejo...
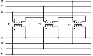
El tema ya se ha dispersado porque la pregunta original solo hablaba de " polaridad°y ahora estamos pasando a desarrollar la conexión de tres monofásicos en banco trifásico. Hay diversas combinaciones posibles, y para realizarlas correctamente debes tener bien indicadas las polaridades de primarios y secundarios. Te paso solo una de las posibles, entrada primario triangulo - salida secundario estrella.

Fíjate las conexiones mutuas respetando los puntos que
Indican polaridad.
- Compartir respuesta
Polaridad:
Los bobinados de los transformadores se pueden conectar para que la tensión se sume o se reste. Cuando se trata de sistemas eléctricos interconectados, los transformadores de los diferentes generadores deben tener la misma polaridad, ya que si uno de ellos se conecta invertido, se hará un sendo cortocircuito.
Regulación:
Estos mismos transformadores, la tensión que entregan se ve afectada por la carga y por el bajo factor de potencia de las cargas.
La propiedad de mantener la tensión es lo que se llama regulación.
Como ningún transformador tiene un 100% de estabilidad en la regulación, es que se utilizan los TAP's que son las diferentes derivaciones.
En la medida que la tensión se reduce o aumenta, se deben mover los TAP's para mantener la tensión en los rangos establecidos.
https://adjuntos.yoreparo.com/imagen_post/0005/22/881068dcf06ac8763c3157266373ff2800ca7405.png
0
thumb_upflag
checkMEJOR SOLUCION
https://adjuntos.yoreparo.com/imagen_avatar/0004/40/thumb_339454_imagen_avatar_medium.gifhttps://adjuntos.yoreparo.com/imagen_post/0005/22/489e34b9b7c72b34941e56a464457815dc5a2a6e.png
No funciona con un transformador "ideal" que no se reduce la tensión con la plena carg
Esta en el primario. El primario que es una bobina conformada por cierta cantidad de vueltas de alambre el cambia taps como se le conoce solo varia en un porcinto definido por el fabricante la cantidad de vueltas y varias a (relación de transformación), para que lo veas mejor el voltaje de la red no varia solo la cantidad de vueltas ve las vueltas como una resistencia si se aumentan las vueltas primario menor voltaje a la salida si se disminuyen mayor, esto se usa para adecuar el voltaje por secundadrio a los parámetros necesarios.
Es correcto que a mayor número de vueltas en el secundario sube la tensión o menor se reduce.
Pero si aumentas las vueltas del primario, se produce el mismo efecto que disminuir las del secundario.
Se hace en el primario porque al ser transformadores de distribución, el primario maneja más tensión y menos corriente que el secundario.
Es cosa de un ejemplo.
Vp =220V
Vs = 110V
Np = 500 espiras
Ns = 250 espiras.
Si se aumenta a 550 espiras el primario queda:
220 / Vs = 550 / 250
Vs = 220 x 250 / 550
Vs = 100V.
Comprobado.
- Compartir respuesta