Conectar termostato ambiente a caldera Baxi Gavina gti
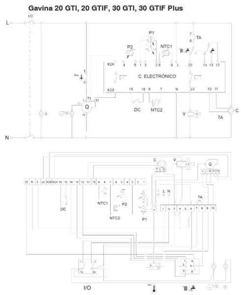
Quiero montar un termostato ambiente a una caldera, Baxi Gavina 20 GTI, quisiera saber los dos cables del termostato en que terminales de la caldera los tengo que conectar.
Respuesta de Lara ..
2 respuestas más de otros expertos
Respuesta de viccius19
2
Respuesta de Rober Chispas


Tienes el esquema eléctrico de la antigua GTI? Gracias - Miguel Ángel González Martín