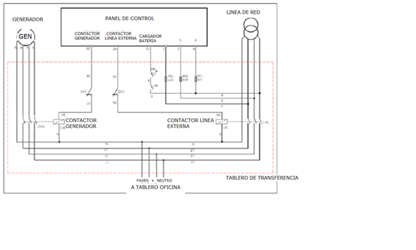
Esquema unifilar de un cuadro eléctrico de una oficina

Tengo que realizar el esquema unifilar de un cuadro eléctrico de una oficina, no encuentro ejemplos para guiarme y teniendo en cuenta la imagen a modo de ejemplo no se donde ubicar el circuito de emergencia. Soy estudiante
2 Respuestas
Respuesta de Instituto Cor Mag
1
Respuesta de albert buscapolos Ing°
2


