Doblador de tensión: Faltará algo?
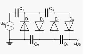
Ante todo un cordial saludo a todos los expertos de esta hermosa comunidad. Tengo que montar 4 válvulas ( manejan un fluido) de 24 V dc en un equipo que maneja 12 V dc con un regulador 7812, y además el equipo tiene otro voltaje de 120 Vac. Las mismas son de 4.5 W, por lo que la corriente a manejar será pequeña, I = 188 ma para cada una. Las válvulas activan a partir de los 18 V dc. Pienso utilizar un "Cuasí doblador de tensión" Diodo 1N 4007 ------I>------
+ *-----/Fusible 1 A/ --I---------I>------ *I------------------------------------------------------------///// ++++
I <I----I I
12 Vac I I
I ------------ + capacitor 100 microF / 25 V
I ------------ -
I I
-- *--------------------------------------- I ------------I------------------------------------I - 33.9 Vdc
I I
I ----------- +
I ------------ - capacitor 100 microF / 25 V
I I
I I
- I ---------- I----------------------------------------------------------------//// -- -- -- --
El tranformador tiene una salida de 12 Vac, la cual pienso utilizar con el montaje expuesto... Yo digo "cuasi doblador" porque según mis cálculos... (espero no estar equivocado) deberían salir 33.9 Vdc. Pues 12Vac * 1.4442 = 16.97 Vdc, para el primer capacitor... Y se repite para el segundo, dando un potencial total de 33.94 Vdc. Creo que las válvulas pueden "tolerar" trabajar a este voltaje, El consumo no llega a los 0.800 ma, por lo que los Diodos 1N4007 de 1A, deberían trabajar sin problemas... Pienso que adicionalmente debo colocarle un filtro RC en paralelelo con las válvulas para evitar los voltajes dañinos para los transistores (o microprocesador) en otros lugares que no he descrito... ¿Qué opinan?





