Limpiar piscina pequeña con filtro
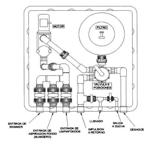
Al limpiar el fondo de mi piscina de 10m3 en posición filtrado, el retorno levanta toda la suciedad decantada. Si cierro el retorno, para que el agua vaya directo al desagüe, la bomba no succiona. El sistema solo tiene 3 llaves: válvulas skimmer, sumidero y retorno (que se conecta al desagüe). ¿Cómo debo hacer? ¿Limpiar en la posición vaciado?
1 respuesta
Respuesta de JS BP


