¿Por qué estas tensiones en trifásica?
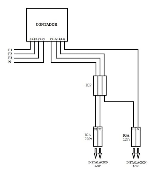
En casa me llega trifásica con neutro, 220V entre fases y he realizado unas mediciones y tengo algunas dudas. Las mediciones son:
F1-F2 = 223 V
F1-F3 = 221 V
F2-F3 = 221 V
F1-N = 129 V
F2-N = 129 V
F3-N = 128 V
F1-T.T. = 222 V
F2-T.T. = 1.5 V
F3-T.T. = 221 V
N-T.T. = 128 V
¿Por qué entre F2 y toma tierra hay 1.5V y en las otras dos fases hay 220V o entre neutro y tierra hay 128V? ¿No debería de tener la misma tensión entre todas las fases y tierra?
3 respuestas
Respuesta de Alfonso Allende Junquera
1
Respuesta de David Tupak
1
Respuesta de Mario Gomez


