¿Se puede conectar un interruptor de luz a unos cables que vienen de otro interruptor?
Es planteo mi duda y espero poder hacerlo lo más claro posible.
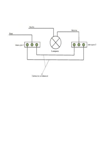
Tengo un aplique en el jardín de casa el cual voy a quitar pero quiero utilizar esos cables para ponerlos en un interruptor doble, dichos cables vienen de otro interruptor que esta dentro de casa, no se si eso se puede hacer o de que manera se podría hacer.
Respuesta de Jose Luis Pines Golderos
4 respuestas más de otros expertos
Respuesta de Angel Luis Castro Perez
1
Respuesta de arqmadryn
1
Respuesta de Javi Pi
Respuesta de JS BP

