Sony KDL-26u2000 (lcd)
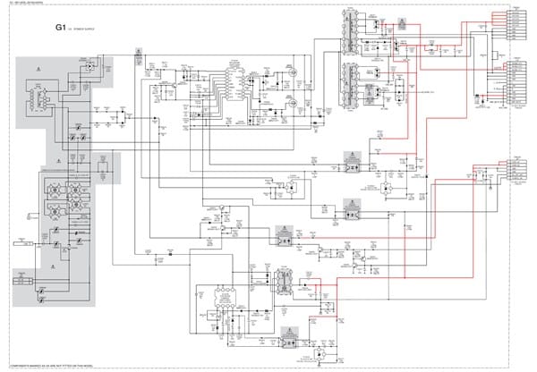
Apagué mi TV por la noche y ya no encendió por la mañana, incluido el piloto standby. Tengo buena tensión en la zona caliente, pero pasada esa zona sólo dispongo de 5 y 3.3 voltios. Hay 3.5 en ac det, pero en pwr on (conector 6200) no hay tensión (0 voltios). El led de standby tiene 4,1 voltios y 4,4 voltios en las dos patillas y en la zona fría no tengo ni los 18, ni los 24 que pide inverter. Después de pensarlo, he decidido poner la placa de alimentación nueva, pero sigue exactamente igual. ¿Me podría decir dónde debo continuar buscando?GraciasLe adjunto el diagrama de la fuente:
1 respuesta
Respuesta de Botijo Antiguo
1
