Desempañador luneta trasera no funciona
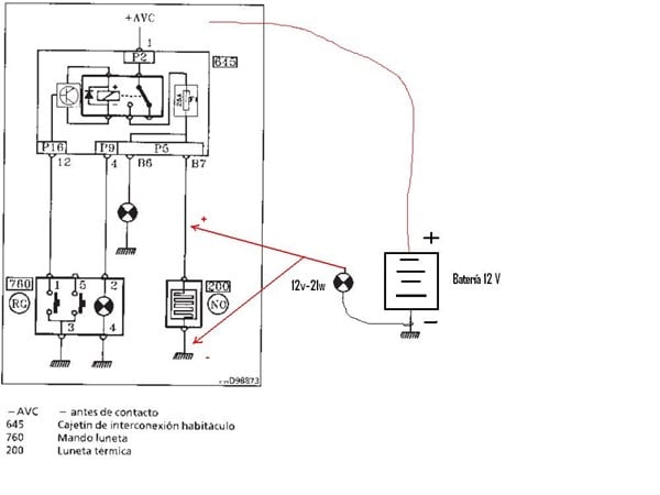
Tengo un problema en mi Renault Megane año 2001, el desempañador del portón de la luneta trasera no funciona. Al accionar la tecla se escucha el click del relé, se enciende la luz indicadora del tablero de instrumentos y al medir la tensión sobre ambos terminales de la luneta térmica con un tester o polímetro, la misma es de sólo 7,5 voltios. ¿Es normal esta tensión o debería haber 12 voltios sobre los terminales de la misma?, ya que no tengo el diagrama eléctrico del auto.
1 Respuesta
Respuesta de Ramon Verdial
2


(esquema conexionado)
(portón trasero manguera cables_4)
(portón trasero manguera cables_5)
(manguera cables masa común)
Hola gente tengo problema con el desempañador quería saber cuál es el fusible ya que me di el la luneta y no me llega tensión es un Renault megane 1.6 16 v - Sergio Santillan
Hola: Si se enciende el testigo en el cuadro, la solución está en este hilo. Síguelo.Accede a mi web desde tu móvil.Descarga desde aquí la aplicación para Android.Ramón - Ramon Verdial