Termostato wifi para caldera Junkers
He comprado un Meross Termostato Inteligente WiFi para Calderas, Termostato de Calefacción de Pared para Calderas de Gas/Agua, Compatible con Apple HomeKit, Alexa, Google Assistant, Pantalla Digital Táctil LED.
Sin embargo estoy liado con el cableado y no se como tengo que conectar los cables.
Sé que tengo que alimentar el termostato con un cable pero como salen tres de la caldera y llegan tres al termostato antiguo no se como tengo que conectar estos cables. No se si de la caldera llega alguna fase o que cables llegan.
Les añado información y fotos para ver si me pueden ayudar por favor.

Este es la conexión ampliada del borne verde. Los numero que están en la parte de arriba con un recuadro rojo es del borne verde de arriba.

Aquí salen los 3 cables de colores antes de desconectar en el comedor

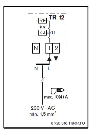
El siguiente archivo es el del cableado del termostato que tengo (tr12)

Y este el cableado del nuevo termostato que he comprado:

Si alguien me pudiera ayudar me seria de gran ayuda ya que estoy loco con los cables y no se donde ponerlos.