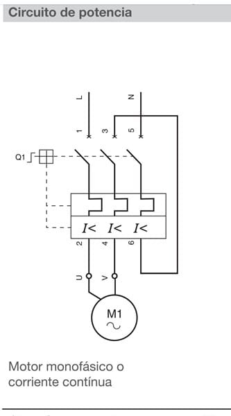
¿Por qué no me funciona guardamotor GV2ME20 en motor monofásico?
He comprado el guardamotor schneider GV2ME20 con regulación de 13 amperios a 18 amperios, lo he conectado según el esquema de schneider para motores monofásicos, lo he regulado en 13 amperios y cuando el motor esta trabajando bien no hay problemas, pero cuando se queda forzado sin poder arrancar no salta el guardamotor y eso que según la pinza esta a 35 amperios, pongo el esquema y un video a ver si me echáis una mano, gracias

3 respuestas
Respuesta de JS BP
2
Respuesta de albert buscapolos Ing°
2
Respuesta de javichin5555
1



Para guardamotores la proteccion magnetica supera mas de 10 veces la I nominal. - albert buscapolos Ing°