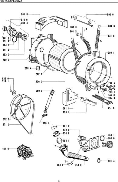
Lavadora Teka - Tambor descentrado - Choca a mitad de vuelta
Muy buena a todos,
Tengo una lavadora Teka que tiene 6 años. Escribo mi pregunta porque en función de lo que he estado viendo, creo que mi avería podría ser grave...
Resulta que en el último centrifugado de la lavadora notamos un ruido extraño. Al terminar la comprobé, y vi como el tambor gira bien media vuelta, pero al llegar a la otra media, ofrece mucha resistencia, como si chocara en la parte de abajo. Comprobé las alturas y vi que efectivamente, cuando el tambor choca, está más abajo que cuando no choca, adjunto las fotos. He abierto por detrás pero la correa y la cruceta aparecen en perfectos estado, como nuevas.
He visto por el foto, que podría ser un descentrado del eje/bombo. En nuestro caso tengo que decir que solemos cargarla mucho y que solemos dejar la ropa dentro durante toda la semana... Por otro lado, también he visto que podría ser algo de algún muelle, pero no sé dónde están situados ni como los puedo comprobar...
Agradezco cualquier ayuda de antemano para valorar si merece la pena llamar a un técnico para que venga a arreglarla o directamente tiene mala pinta...
Muchas gracias!

Foto1: Aquí choca el tambor y ofrece mucha resistencia. Se ve que el tambor está más abajo
Si se compara con la goma.

Foto 2: Aquí no choca, se ve que el tambor está más "arriba" si se compara con la goma.

Foto 3: Parte trasera.

