Instalación inodoro - Compacto distancia agujero
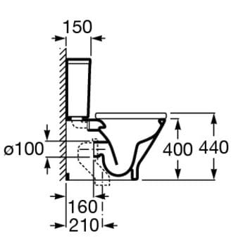
He quitado el antiguo inodoro y todo bien a pesar de los tornillos oxidados. La cuestión es que he mirado la distancia desde la pared al agujero y son mas menos unos 223mm. ¿Puedo instalar sin problemas un inodoro compacto tipo Roca The Gap Square?
Este son las medidas del inodoro: https://www.roca.es/productos/square-taza-compacta-rimless-adosada-pared-salida-dual-inodoro-tanque-...
1 respuesta
Respuesta de Rober Chispas

