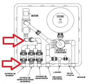
Barrefondo, donde conectar la manguera en skimmer, en la toma de fondo o en la toma lateral que está dentro?
En el skimmer hay una toma en el fondo y otra en un lateral del mismo. Cuando hago filtrado, tiran bien los chorros y en un momento, no tanto. Hace ruido de succión de agua (la toma de fondo) y sale agua de la toma lateral. Interpreto que ese agua que sale por el lateral viene de la rejilla que hay al fondo de la pileta. Esta toma lateral, ¿debería ponerle el tapòn al hacer FILTRADO? Y la manguera del barrefondo, ¿a cuál de las dos tomas que hay dentro del skimmer debería conectarla para que aspire bien?
1 Respuesta
Respuesta de JS BP
2







