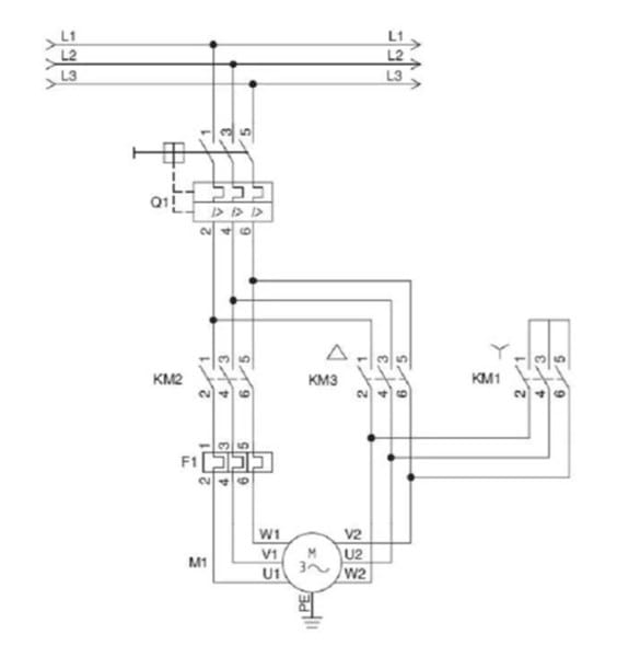
Hay que sacar la plaqueta que conecta un motor en delta para efectuar el arranque estrella delta?
Tengo un motor III y quiero hacer el arranque estrella delta. No sé si habéis visto que una pletina conecta los bienes en estrella o triángulo. ¿Qué pasa en el momento de hacer el arranque en estrella y su paso a delta? ¿Cómo debe estar la pletina conectada en los bornes del motor? ¿En estrella? O en triángulo. No sé si me hago entender
Respuesta de Jose Miguel Sirgo Pascual
1 respuesta más de otro experto
Respuesta de Tíboli Sam
2


