Luces de cruce se encienden con el contacto
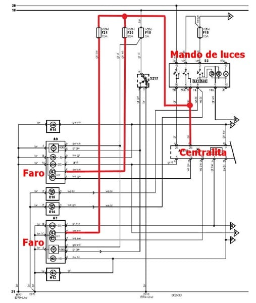
Aver si me podéis ayudar porque me estoy volviendo loco, tengo un Audi A4 1.9tdi 2004, os cuento me fallo el interruptor de freno y a raíz de eso me quede sin batería fui a comprar interruptor y batería cambio interruptor de freno y coloco batería y a raíz de hay veo que al poner contacto se me encienden las lucre de intentar y cruce, pensé que el interruptor de luces igual fallaba lo e cambiado y nada, sin el interruptor siguen puestas, no funciona el coming tampoco doy las gracias de antemano aver si me podéis ayudar
1 respuesta
Respuesta de Ramon Verdial
1

