Hidroneumatica con rele y contactor en 120 voltios
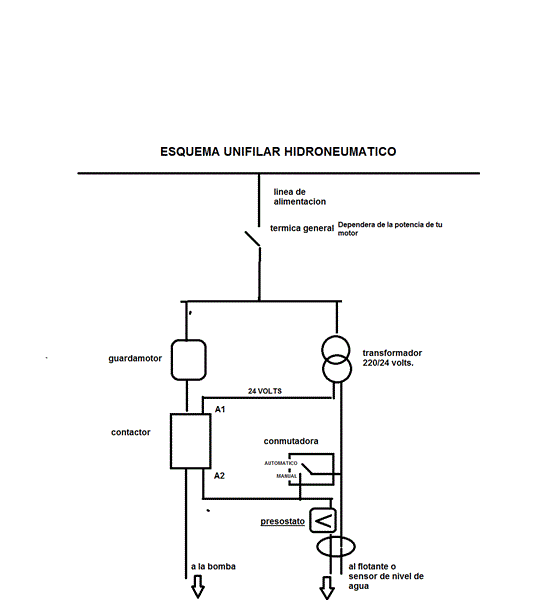
Compre una bomba hidroneumática de 1,5hp en 120 voltios y le quiero poner un contactor con un relé además una llave de 2 posiciones y un flotador ya que esta bomba tiene un presostato de 10 amperios y se me quemara con el uso ya que el motor consume 20 amperios. Ya tengo un contactor 3RT2026-1oneccion de contactoAk60 con un rele3SU1150-2BF60-1B y un conmutador de 2 posiciones lo que busco es como cablearlo para que trabaje el flotador. Dejare mi correo para poder recibir cualquier envío de diagrama de toda la conexión.
2 respuestas
Respuesta de Boris Berkov
2
Respuesta de albert buscapolos Ing°
2

A ver si el curso de adivinos II me sirvió... sdos. - albert buscapolos Ing°