Como conectar un nuevo reproductor de CDs a un amplificador?
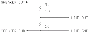
Tengo un nuevo reproductor de CDs, con conexión usb, a MP4 etc, que solo tiene entradas traseras para los altavoces y un cable que va directo al enchufe, y un viejo amplificador con muchas entradas, ¿una en concreto que pone CDs... Puedo conectar el nuevo reproductor a este amplificador para que se oiga mejor?
Voy a ver si os puedo poner fotos de las dos partes traseras de los dos equipos. En la primera foto se ve la parte trasera del amplificador y en la segunda la del reproductor de CDs. ¿Este solo tiene las entradas para los altavoces y el cable negro de la derecha abajo que va directo al enchufe . Es posible conectarlos?
Muchas gracias de antemano


3 respuestas
Respuesta de Albert Nuñez
1
Respuesta de Edorta Fernandez
1
Respuesta de Rober Chispas


