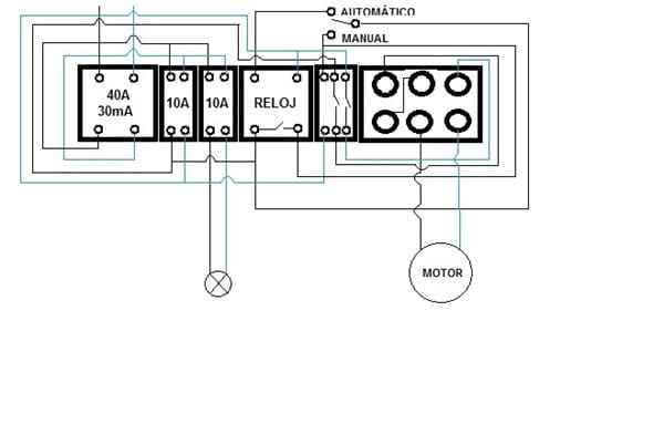
Como conectar la bomba en cuadro eléctrico astralpool?
He perdido el esquema del cuadro eléctrico astralpool, no hay manera de conseguirlo, ¿me pongo en contacto con ustedes para ver si pueden decirme si en la regleta blanca "marche forcèe" es donde se conecta la bomba? Sufrimos un derrumbe de la caseta máquinas piscina y tuvimos que sacar los aparatos con urgencia. No pudimos entretenernos en anotar conexiones.
Respuesta de jose francisco rozas sanchez
1
2 respuestas más de otros expertos
Respuesta de JS BP
1
Respuesta de ortega morillo hidraulica - Iván Ortega Morillo
1





