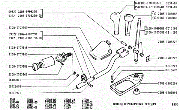
Lada Samara 2108, palanca de cambios, intentar
O más real 2, el primero es que no tengo dinero para enviarlo al taller a su reaparación, el 2° es que estaba de viaje y tuve problemas con el embrague, colocaron todo y modificaron la caja, parecía todo bien hasta que salimos a la ruta, la 5a. No puede entrar, le falta recorrido a la derecha, ¿alguien me podría decir o enviar algún link sobre como corrijo la posición de la palanca de cambios para que vuelva a entrar la 5a marcha? Molto grazie.
1 respuesta
Respuesta

