Como hacer un convertidor analógico digital y digital analógico con amplificadores operacionales( no circuitos integrados)

  • Si pueden ayudarme con diagramas de circuitos con valores solo para simular agradecería muchísimo

1 respuesta

Respuesta
2

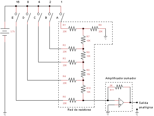
Haciendo la salvedad de que los amplificadores operacionales (OPA) son normalmente circuitos integrados, una forma sencilla de convertidor digital-analógico es el que está basado en una red de resistencias y un comparador operacional. Vea:

 

Se pueden sustituir los interruptores por sus equivalentes electrónicos como el circuito HEF4066:

http://www.nxp.com/documents/data_sheet/HEF4066B.pdf 

Un convertidor analógico digital se puede construir, utilizando como base el convertidor citado, pero necesita un contador digital y un oscilador asociados, que no se pueden hacer con solo OPAs. Así que lo descarto.

Añade tu respuesta

Haz clic para o

Más respuestas relacionadas