Mario Gomez

Mario Gomez

Electricidad, Mecanica, Física, Astronomia, Varios más
 358K puntos  España @patoruzek desde - visto

Respuestas en Ingeniería Industrial

Respuesta en y en 2 temas más a

Este transformador de 220v. A 24v podría alimentar dos motores como este?

La fuente te da 1,2 amp... y cada motor unos 2 amp... además en el arranque tragara algo más... la fuente puede que venga con "algo" de tolerancia por muy poco margen de tiempo... pero casi el doble, imposible... y menos aun, así encerrada en una...
Respuesta en y en 2 temas más a

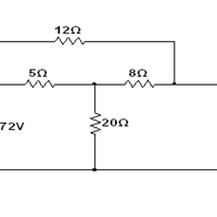
Mediante el método de nodos como podría determinar el voltaje de thevenin en este circuito

DISCREPO... de todos... no tienen Lógica, ustedes...
Respuesta en y en 3 temas más a

Como están conectadas las bobinas internas de un generqador eléctrico

Entonces tendrá una bornera donde cambiar la configuración interna,¿no.?.. Ya que si se refiere a la carga... es obvio que podes elegir la manera de conectarla, al tener 3 fases y neutro.
Respuesta en y en 2 temas más a

No arranca motor depuradora, necesita algunas veces que le de un toquecito a las aspas

Pueden ser varias cosas... te conviene llamar a un electricista.
Respuesta en y en 4 temas más a

¿Tengo que considerar todas lasmaquinas del taller para calcular el fp

Vos mismo te estas respondiendo... Para que incluir dentro del calculo a efectuar para elaborar la Bateria de Capacitores, aquellas maquinas (inductivas) que "solo" se utilizaran un par de horas al dia o dos o tres dias al mes... si a esas maquinas...
Respuesta en y en 2 temas más a

Circuito y Alimentación Motor 220V DC

A la buena intervension de los otros expertos, solo voy a agregar 1 punto. Segun tu esquema, piensas en hacer un puente rectificador de Onda Completa. De esa manera, la tension de salida, va a rondar los 460v de CC. . ¡ OJO !
Respuesta en y en 3 temas más a

Si yo tengo un ohmetro en la escala de 1M ohm y al medir la resistencia esta me da una un valor de 0.050

Estas en escala de 1.000.000 pero el equipo solo te da hasta 4 digitos.. 1000 ... entonces si te da 0050 le tenes que agregar los 3 ceros que te faltan para el Millon, a la derecha... 0050 000 ... Y te queda = 50000 = 50.000 ohmios ...
Respuesta en y en 4 temas más a

¿Puede ser que un cable de 0,75 mm2 aguante 10 A en monofásico y 13 A en III?

Puede ser que "tal vez" te estés confundiendo de palabras y que en vez de "trifasico"...¿estés leyendo "tripolar" ..? Aquí una explicación Excelente del Reglamento "español" ... aunque te aclaro que salvo matices, la Electricidad, sus efectos y por...
Respuesta en y en 3 temas más a

Placa de motores que solo dicen una tensión

Coincido con Albert...
Respuesta en y en 1 temas más a

Bomna sumergible sólo arranca con electricidad en casa y no con grupo electrógeno.

¿Qué efecto notas en ek grupo generador al conectar la bomba..? ¿Se apaga..? Baja de revoluciones.? "¿Nada" y sigue girando normalmente..? 1,5 kw ... no es tanto... Aunque necesitas casi 4 veces más para arrancar. Haz una prueba "facil"..= Una vez...