Pregunta en
Ingeniería Electrónica
y en 3 temas más
Como medir el voltaje Rizo en el siguiente circuito de manera experimental?
Pregunta en
Ingeniería Electrónica
y en 3 temas más
Como calcular el valor nominal de RZ para implementarlo con el diodo Zener?
Pregunta en
Ingeniería Electrónica
y en 3 temas más
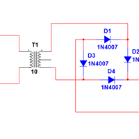
Como encontrar esos voltajes en un rectificador de onda completa con derivación central?El puente rectificador de onda completa
Pregunta en
Matemáticas
y en 4 temas más
Como desarrollar el modelo matemático de un sistema masa-resorte en vertical ?
Un modelo matemático es uno de los tipos de modelos científicos que emplea algún tipo de formulismo matemático para expresar relaciones, proposiciones sustantivas de hechos, variables, parámetros, entidades y relaciones entre variables de las...
Sin respuestas
Pregunta en
Física
y en 4 temas más
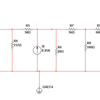
¿Cómo encontrar ese valor de la caída de corriente en R11de forma teórica?
Pregunta en
Ingeniería Electrónica
y en 4 temas más
Como hacer esta demostrarcion de circuitos eléctricos?
Pregunta en
Matemáticas
y en 3 temas más
Como resolver esta ecuación diferencial ?
Y´´´+6y´´+8y´-3y=0 ¿Cómo resolver esta ecuación diferencial?
Pregunta en
Física
y en 2 temas más
¿Cómo resolver este ejercicio?Análisis de fluidos
El ejercicio plantea lo siguiente La viscosidad cinemática del metano a 15° C y presión atmosférica es 1.59 x 10 -5 m2 /s. Usando la ecuación de Sutherland y la ley de los gases ideales, encuentre la viscosidad a 200° C y 2 atmósferas.
Sin respuestas
Pregunta en
Física
y en 2 temas más
El bloque mostrado pesa 80 N El coeficiente de fricción
Pregunta en
Matemáticas
y en 2 temas más
Como resolver Ecuaciones Diferenciales Exactas?
¿Cómo verificar que la siguiente ecuación diferencial es exacta? (2x+y)dx-(x+6y)dy=0
