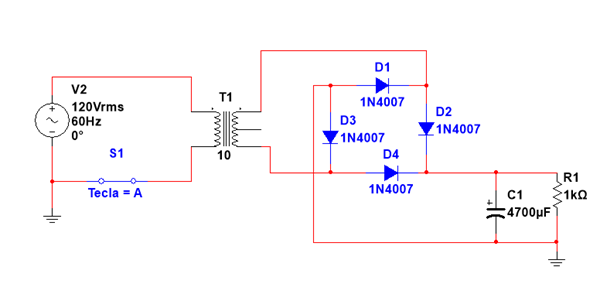
Como medir el voltaje Rizo en el siguiente circuito de manera experimental?

¿Cómo medir el voltaje de Rizo en el siguiente circuito de manera experimental con el uso de un multímetro?
El transformador es de 12Vac con derivación central, los diodos son 1N4007, un capacitor de 4700uF y una resistencia de carga de 1Kohm
1 respuesta
Respuesta de albert buscapolos Ing°
1