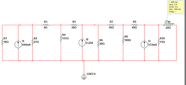
¿Cómo encontrar ese valor de la caída de corriente en R11de forma teórica?

¿Qué método es recomendable usar para poder encontrar ese valor de la caída de corriente en R11de forma teórica?
1 respuesta
Respuesta de albert buscapolos Ing°
2