albert buscapolos Ing°

albert buscapolos Ing°

Me retiro gradualmente del Foro. Gracias a todos !! . ALBERT ING.
 1.944K puntos  Buenos Aires, Argentina @albertx desde - visto

Respuestas en Física

Respuesta en y en 2 temas más a

Masa para restablecer el equilibrio de una balanza

a) La capacidad del condensador plano así formado. Si consideras suficientemente pequeña la separación frente a las dimensiones de la placa superior: Co= {Epsilon (o)} Area / Separacion = 8.85 x 10^-12 x 200 x 10^-4/ 0.01= 17.7 picofarads. b) La masa...
Respuesta en y en 2 temas más a

Calcular capacidad problema dieléctricos física

No es dificil, pero tendras los resultados a mano ... estaría dando valores enormes de capacidad, con los resultados a la vista podemos orientarnos mejor ...
Respuesta en y en 3 temas más a

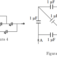
Calculo de la capacidad del siguiente circuito

Para obtener las capacidades entre los puntos A y B no sería muy difícil, pero para determinar las cargas de cada capacitor debemos tener referencia de la tensión aplicada, ¿qué no la estás dando ... Aclaramos esto?
Respuesta en y en 3 temas más a

¿Cuánto tiempo ha de transcurrir para que quede menos de 0,5g? Periodo de semidesintegración es 8dias

La fórmula base para la desintegración radiactiva : N= 4 e^-(lambda t)................lambda = constante de desintegracion . El tiempo en que la mitad de los átomos ( N/2) se ha desintegrado se llama " vida media"o periodo de semidesintegracion del...
Respuesta en a

Calculo del trabajo de un traingulo

El tema es que a mi tampoco me esta dando ese resultado que decís Uffff... Igualmente con el factor 10^11 no me daba nunca...
Respuesta en a

¿Cómo resuelvo el siguiente ejercicio de Física?

Complementado la oportuna respuesta de Alejandro, te diría que nos participes del resultado. Yo hice un desarrollo previo y me estaría dando una fuerza mínima F min. = 8.5 N...si no no desliza. En base a esta Fuerza mínima estaría estimando un tiempo...
Respuesta en y en 1 temas más a

Intensidad en Asociación de Generadores en serie

¿Me podrían explicar cual es la razón que fundamenta lo escrito en letras mayúsculas?. Es decir, sin pongo por ejemplo 3 generadores en serie, dos me dan 1 Amperio y el que queda me da 0,5 A, entonces ¿la asociación equivalente me daría 0,5 A de...
Respuesta en y en 1 temas más a

Calculo de la intensidad de un campo eléctrico

Si el electrón te ingresa por el centro, entre placas, la trayectoria será semejante a la que sigue una masa sometida a la aceleración gravitatoria. Siendo el electrón una carga (-) se desplazará siguiendo una parábola dirigida hacia la placa...
Respuesta en y en 3 temas más a

Tengo duda sobre caída libre

1) La caída describe una trayectoria descendente con movimiento uniformemente acelerado. 2) Dos cuerpos cualesquiera, lanzados en el vacío. Emplean los mismos tiempos en descender desde una altura H determinada. 3) Su velocidad aumenta linealmente...
Respuesta en y en 1 temas más a

Frecuencia de sonido de una cuerda de guitarra

En principio si... pero aunque la frecuencia seria común a ambos medios, las longitudes de onda no serian las mismas al variar las velocidades de propagación entre el solido ( la cuerda) y el aire ( medio gaseoso). Aparte las vibraciones son...