Calculo de circuitos eléctricos con CA

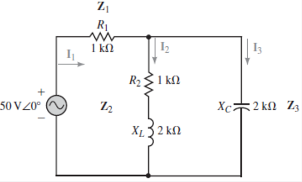
Considere el circuito de la siguiente figura

a) Determine??

b) Determine las corrientes?1,?2 e?3.

c) Calcule la potencia total proporcionada por la fuente de voltaje.

1 respuesta

Respuesta
2

Habitualmente no contesto Anónimos.

Como excepción te haría este ejercicio, pero siempre debes valorarlo como corresponde, sea cualquiera de nosotros quien te atienda. De lo contrario no te brindaremos más respuestas.

Considera 2 malllas. Corrientes I1 e I3

Dados los valores de las resistencia y reactancias te conviene expresar todo en Kohms.

iMPEDANCIA Malla 1 =  2   + j 2  K ohms

Impedancia Malla 2 =   1 + j( 2 - 2) = 1 K ohms

Impedancia de transferencia = 1 + j 2


a) Determine??

Z total = 1 + paralelo de ( rama 2 + rama 3 ) = 1 + (1+j2) // (- j2)=1 + 4-j2 = (5 - j2) Kohms.

b) Determine las corrientes?1,?2 e?3.

Resolves el sistema ....... (2+ j2) I1  -  (1+j2) I3 = 50

 ........................................ -  (1+j2) I1 - 1 I3 = 0

Te estará dando I1 e i 3 como corrientes complejas... luego....I2 = I1 - I3


c) Calcule la potencia total proporcionada por la fuente de voltaje.

Potencia total = S = V I*

La corriente la calculas en base a I = 50/0  /  Ztotal = 50  /  (5000 - j 2000) =

= 0.00862 +  j 0.0034 A..........entonces..........................I* =  0.00862 -  j 0.0034 A..

y de aqui podras evaluar S = P + j Q

P.d. Corrección... la segunda ecuación del sistema es :

- ( 1+ j2) I1 + I3 = 0

Añade tu respuesta

Haz clic para o

Más respuestas relacionadas