Reparar un tester chino barato.
Tengo un tester chino de esos tan comunes.
Ya me ha ocurrido con varias unidades, que me equivoco y mido voltaje de red en posición de Continuidad.
El testero no hace nada, pero de la misma me doy cuenta que me lo he cargado.
El resultado es que el testero sigue aparentemente bien (la pantalla sigue funcionando), pero ya no funciona esa posición de Continuidad, ni las de Resistencia.
Los dígitos bailan a su aire sin ninguna lógica.
Pero la posición de Voltaje, tanto AC como DC sigue funcionando bien.
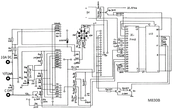
Lo he abierto y tiene poca cosa, peroné pensado que tal vez se haya fastidiado algún componente sencillo. Pero no lo encuentro. No sé por donde meterle mano al circuito.
¿Alguien sabe que es lo que suele fallaren estos casos?
Dejo unas fotos.
https://ibb.co/FJbdrmJ
https://ibb.co/TWTyFHb
https://ibb.co/pPGD6x3
https://ibb.co/cvWd9gP
https://ibb.co/jM7s2Vg
https://ibb.co/yksqZVx



