Fuente alimentacion pc ¿ Que resistencia puede ser ?
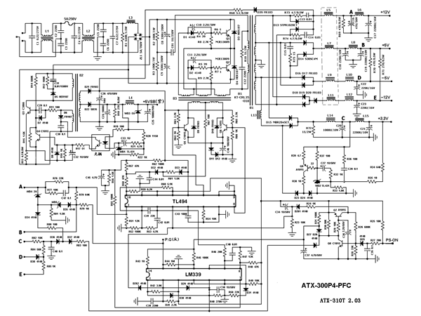
Tengo una fuente alimentacion PC, es de 700 W. No funciona... La e abierto y e podido comprobar que varios transistores en su sector primario estaban en corto son NPN 13009 JL TB, y dos resistencias quemadas, una de ella estaba carbonizada.. La otra no puedo ver sus colores... La e medido con el multimetro en resistencia 2k y me dá un valor de 1.164 (adjunto imagen de donde van las resistencias)) la imagen del multimetro con la resistencia es de la resistencia marcada en la imagen como resistencia 2, pero como digo no tiene ni colores.. Así pues no sé que valor puedan tener ambas.
Mi pregunta es. ¿Qué valor pueden tener?
Adjunto imagenes... Gracias


2 respuestas
Con todo el respeto del mundo, estoy en desacuerdo con "6axis".
Partiendo del hecho incuestionable, que en todo equipo electrónico, los componentes que están más sujetos a averías son los que manejan más potencia eléctrica, el componente más propenso a destruirse es la fuente de alimentación.
Las fuentes chinas se han hecho con con el mercado mundial de fuentes para PC, con un buen diseño de origen en USA, sencillo y archi-comprobado, por su bajo precio de fabricación. En esencia todas son iguales.
Al desecharlas caemos en el peor vicio de Occidente: La "cultura del desecho", que es lo más anti-ecológico imaginable, aunque por otra parte, es verdad que su reparación es no resulta económica. Si Pedro Miguel quiere gastar su tiempo en no seguir este vicio, que cuente con mi colaboración, aunque comprenderá, que con solo una fotografía no creo que nadie pueda darle la solución, a menos de que tenga otra fuente exactamente igual en la distribución física de sus componentes.
Las fuentes ATX incluyen dos fuentes: Una de pequeña potencia que suministra +5V que está siempre en espera, que aparecen en el cable morado del conector a la placa madre, y la principal que se energiza mediante una orden del equipo que está alimentada por la pequeña. Así, lo primero que se tiene que comprobar es la presencia de dicha tensión. La orden de puesta en marcha la obtiene cortocircuitando el cable verde a masa. Me imagino que esto ya lo sabe, pero vaya para quienes lo desconozca y sigan esta respuesta.
Vea un montaje clásico:
En el que la parte más frágil es la situada en la esquina superior izquierda, es decir la del push-pull serie con los transistores MJE, y su circuito asociado. Por la proximidad física en su fotografía, creo que la resistencia en cuestión pertenece a esta parte del circuito. Dele la vuelta a la placa, siga el circuito y compruébelo. Es probable que haya otra resistencia igual perteneciente al otro transistor MJE, que esté en buen estado y se pueda leer su valor.
Si no lo consigue, añada su experiencia a esta pregunta y lo intentaremos juntos, pero si decide seguir el consejo "6axis", considereme fracasado...
¡Gracias! a ambos... y les cuento
Aquí en España el trabajo a bajado mucho...muchísimo...
Las piezas que obtengo son de puntos verdes( almacenes del estado de desecho )
En el cual hay un guarda que es quien me vende piezas como.. ordenadores enteros, discos duros, tarjetas gráficas externas, memorias RAM,
Comentar que discos duros que me a vendido en mal estado se los e devuelto sin problemas, pero cuando le recojo placas base que veo que son buenas, intento arreglarlas.. una de ella la expuse aquí preguntando por ella y la logré salvar y es la que tengo precisamente yo, me la quedé para mí... pues tenia antes un simple pentium 4,
Para decirles que... un día llegué a comprarle 23 memorias RAM de 2 y 1 GB DDR2 y 5 discos duros DE 1TB, 750 GB 500 GB y 2 de 160 GB en 20 euros todo! Y la torre en el cual venia mi actual placa base con un procesador de 4 núcleos Q700 con una gráfica GT 8500 sin disco duro ni RAM se lo compré en 5 euros...
Monitores, cajas fuente alimentación, herramientas como : el multímetro que aparece en pantalla... capacimetro, soldador de estaño... etc... etc.
De ahí... que acuda a vosotros.. para poder arreglar los aparatos que están en mal estado... arreglarlos y si le saco algunos euros... pues.. algo es algo... decir que en arreglar mi placa base estuve 3 días... pero como no tengo nada que hacer! Eso sí.. cuando di con el problema ... pegé un salto... era... una simple soldadura debido a una subida de temperatura o tensión que la desprendió.. pues llevaba una mala fuente alimentación, la cual tengo para piezas desmontada
Sobre la fuente alimentación que muestro pues...según he podido leer es REAL... tengo varias fuentes más pero no son exactamente iguales..
Botijo7... voy a mirar lo que usted indica... en cuanto a los transistores voy a ver si hay alguno que le valga... miraré por google.. y a ver si lo tengo aquí de otra fuente de alimentación.. comentarle que tengo un tester de fuentes de alimentación y los 5v de entrada es lo único que me da... lo demás lectura 0, que como usted indica es el de color morado ( Standby ),.
Gracias de nuevo por su apoyo Botijo7... por cierto... menudo ¡ nick ! Si lo desea me dice su nombre .. para dirigirme a usted..
Saludos
A mi me gusta mi "nick". El número 7 fue circunstancial porque ya existía sin él. El botijo es una "máquina" térmica sumamente interesante, que alivió la vida a mucha gente.
He comprobado que en el esquema que le incluí, no se pueden leer los valores de los componentes. Por la posición en el montaje, intuyo que la resistencia en cuestión, puede pertenecer a la excitación de las bases de los transistores. Un circuito clásico que del secundario del transformador excitador, lleva un diodo y una resistencia de 39 Ohms en serie y ambos en paralelo con un condensador de 1uF, de donde salen dos resistencias, una en serie de muy bajo valor (de 1 a 10 Ohmios) a la base del transistor, y otra de alrededor de 2700 al emisor. El circuito es idéntico para ambos transistores.
Tengo escrito un estudio de estas fuentes describiendo su funcionamiento, que con gusto le mandaré si incluye una dirección de E-mail
Además tengo algunos MJE13009, que remitiré sin ningún cargo, si también incluye una dirección de correo postal.
Un consejo: Antes de conectar ninguna fuente, y ponerla en marcha cotocircuitando el cable verde con cualquier negro, asegúrese que no tiene cortocircuito a la red. Para ello conéctela en serie con una bombilla de incandescencia de 60W, ello le evitará que se vuelvan a destruir las fuentes que crea haber reparado. Si la bombilla se enciende bien, hay cortocircuito, pero si no, o a lo sumo hace un destello, es que está bien.
Le deseo suerte.
¡Gracias! Perdone...¿cómo la conecto a una bombilla?
Aquí tiene más datos de la fuente alimentación... Mil gracias







Sobre lo que comenta de enviarme los 13009... yo vivo en Sevilla no sé de que país es usted... y sobre su estudio sobre fuentes de alimentación, le agradecería de corazón me la enviara a mi correo : [email protected]
¡ ERROR ! ... AL VER LOS COLORES... R17 sus colores son: dorado, marrón, negro, marrón. Y R45: Dorado, naranja, amarillo, rojo.
Saludos
uff...ufff. las medidas segun el valor de cada color...ejp. R17 = marron,negro, marron, dorado mide 98, y segun el codigo colores es....marron=1, negro=0 lo que es = a 10 x marron que son 10= 100..con una tolerancia del 5%,...está bien..pero.....R16= rojo, rojo,negro,dorado mide 0.9, segun el codigo colores es...rojo=2,rojo=2 lo que es 22 x negro que es 0=22 y ya digo me lee 0.9...
Aunque e leído escrito por usted... Botijo... que las mediciones en la placa nunca o casi nunca son exactas...
Saludos
Bueno ... pues no he podido arreglar la fuente de alimentación y mi pregunta es ...¿qué ha fallado? ... malas soldaduras ¿? ... E leído de que hay que coger la placa con guantes ... por la electricidad electroestatica ... es cierto eso ¿? ... Puede que hubiese otro componente en mal estado ¿?
E cambiado 3 resistencias y 2 transistores ..
Limpiado con alcohol isopropílico la placa
Gracias de antemano
Nada de lo que dice es necesario para manejar las fuentes de alimentación. Estas fuentes llevan muchos componentes, y cada uno de ellos puede ser el que no funciona adecuadamente, y es algo que no es detectable a simple vista. La electrónica es complicada, y sintiéndolo mucho, debo decirle, que lo que le faltan a Vd, son conocimientos.
Haga una cosa. Desmonte la placa, incluyendo quitar los cables (que hacen su manejo engorroso) y me la envía. Yo intentaré repararla, y si lo consigo, le diré cómo lo he hecho. Llevo muchos años con fuentes, y tengo un laboratorio bien equipado.
- Compartir respuesta
Esta no es una respuesta, es solo una opinión.
No gastes energía en reparar esa fuente, usan diseños electrónicos desechables y si por milagro la resucitas no es nada recomendable colocársela a una PC. Lo digo por experiencia.
En base a la respuesta de @Botijo Antiguo si tiene tiempo y recursos para lidiar con esa fuente hágalo, yo también estoy en contra de la obsolescencia programada pero viene la cuestion, ¿Cómo puede contrarrestar un humilde técnico una condición creada por un ingeniero para fallar a un determinado tiempo o condición particular?
En este caso ya cuenta con la opinión de un ingeniero con toda la autoridad para sostener lo que dice. Es su respuesta dio todas las claves. Si puede conseguir todos los repuestos de desguace mejor, porque en mi experiencia concluí que es antieconómico e inviable reemplazar las piezas por partes nuevas.
¡Gracias! Por su interés 6axis... ya digo que no tengo nada que hacer... y si puedo arreglarla... pues mejor..
Lo que me acabo de fijar ahora es que una de las resistencias perdidas... precisamente la que estaba totalmente calcinada y rota en dos... concretamente la que marco como resistencia 1 y en la placa viene marcada como R11, al verla por atrás... veo que corre una línea de estaño en busca de dos diodos que e probado y están en condiciones sin contacto a ellos y esa misma línea pasa a unos condensadores pequeños y una bobina marcada como KD-T010DY YT EL-16A pero sin contacto con ellos.
Saludos
No sé donde está el problema de si es china... japonesa...¡ Si no soy rasista ! Aunque sinceramente... si es Colombiana.. Venezolana... o Boriquen...más empeño le iba a poner en gastar energía arreglarla... jiijijijiijiji
Ahora en serio...¿pueden ayudarme? con los datos que he facilitado..
PDT: va en serio lo de que no me importaría gastar energía en una venezolana... colombiana o boriquen... jiijijijijiijiji
Por favor... cuando pueda la administración de esta página, borre esta pregunta mía... ya les he enviado varias solicitudes pidiendo su borrado ¡ Sin éxito ! Ya que yo no puedo borrarlo ¡ Me lo impiden !
Saludos
¿Por qué la quieres borrar si en esencia es valida la pregunta?
Lo que nos ocupa ahora es encontrar un buen material que te de los conceptos básicos para que puedas entender el funcionamiento de una fuente atx, tanto en este tema como cualquiera en la vida los procesos de aprendizaje deben ser metódicos y desde abajo hacia arriba y no a la inversa.
Tanto en la web como YouTube hay material en abundancia muy bien explicado sobre fuentes de PC.
Aquí una secuela de videos sobre reparación de PC: https://youtu.be/ml7S5zTnEyI en este capitulo habla de fuentes.
Aqui un texto donde explica la reparación de problemas muy frecuentes de reparacion de PC:
http://www.comunidadelectronicos.com/articulos/fuentes_pc.htm
¡Gracias! El problema está en no saber que resistencias pueda llevar... e buscado si hay manual o algo parecido sobre esta fuente y no lo encuentro... si al menos tuviera alguna pista de cuales podía llevar... pero el caso que una se unía a una pata con dos diodos y la otra estaba bajo uno de los transistores en corto... que por cierto... ahí fue donde se produjo el chispazo... utilizaré sus piezas para alguna otra fuente que recoja.. pues las demás que tengo son malísimas... y son también para piezas..
Saludos y de nuevo... gracias y felices fiestas
Lo que supongo que pudo haber pasado es que una falla del ventilador produjo la falla de los transistores, como cada diseño es diferente es imposible adivinarlo exactamente pero como botijo7 es ingeniero te ha dicho en que rangos de valores pueden estar, busca un valor intermedio, cambia los transistores por unos equivalentes y quita el fusible y conectas una bombilla incandescente de 75W a los terminales del fusible y haz la prueba.
Pasala bien es estas fiestas.
En el enlace que has colocado...e podido leer esto...
4.- Existen 4 resistencias asociadas a los transistores de potencia que suelen deteriorarse, especialmente si estos se ponen en corto. Los valores varían entre las distintas marcas pero se identifican pues 2 de ella se conectan a las bases de dichos transistores y rondan en los 330k Ohms mientras que las otras dos son de aproximadamente 2,2 Ohms y se conectan a los emisores de los transistores.
Esto es lo unico que tengo...

Estuve viendo detenidamente la foto que le mandaste a botijo7, los resistores que no has encontrado son los de más bajo valor, tanto el texto del enlace que puse como la respuesta de botijo7 concluyen que el resistor podría estar entre 1 a 10 ohm, dejémoslo más cerca del 1 y arriba de lo que decía en el enlace, en 3.3 Ohm (naranja, naranja, dorado y después dorado), siempre habiendo cambiado el fusible por unos cables hacia un portalámpara con una bombilla de 75W conecta el cable verde a tierra para hacer la prueba.

Bueno he podido conseguir esta placa... que al menos me da una orientación pues... estas resistencias están colocadas parecido a la de la otra placa... aunque sus lecturas están bajas...¡ Pienso yo ! Estas resistencias son de 3.1 K, colores: naranja, marrón, rojo, dorado... y como muestro.. una mide 2.85 y la otra 2.75...
Sumando lo que dice botijo7 a lo que dice el texto del sitio del enlace es una resistencia de bajo valor.
Lo peor que puede pasar con la opción que te di es que no funcione, si los transistores son los mismos entonces lo más probable es que sean los mismos resistores. Haz la prueba con el bombillo conectado al portafusibles.
Con el transistor de frente, o sea con la pestaña donde se atornilla al disipador hacia atras los pines van en en el orden Base Colector Emisor. ¿Estamos? Lo enumeramos 1 2 3 . Entre 1 y 2 marca para un lado y no marca nada para el otro y si marca es una lectura media, en función del probador de diodos marca 0.4 y 0.8 Volt de un lado.
La misma lectura para 1 y 3, ahora, para 2 y 3 no debe marcar nada ni de un lado ni del otro aguja fija ó «O.L.» Si es Digital el multimetro, de otra manera se descarta el transistor.

¡Gracias! por todo su tiempo..
Las lecturas son las siguientes: partiendo de que el valor 1. es que no tiene lectura, + es positivo o rojo, y - es negativo o negro, 3 de ellos tenían o lectura en ambas posiciones, uno de ellos no, solo en pata 1 positivo y patas 2 y 3 negativo, que pienso que es el único que está bueno.
Placa para arreglar
transistor 1: patas 1 y 2 = .850, 1 y 3 = 1. , 2 y 3 = 1. ambas posiciones.
transistor 2: patas 1 y 2, 1 y 3, 2 y 3 ambas posiciones = 1.
Placa reciclaje
transistor 1: patas 1 y 2 = .070, 1 y 3 = .058, 2 y 3 = .014 ambas posiciones
transistor 2: patas + 1 y - 2 = .580, -1 y +2 = 1. , +1 y -3 = .589, -1 y +3 = 1. , 2 y 3 en ambas direcciones = 1.
En el tema de las resistencias..corríjame si me equivoco pero.. pudieran ser del valor de la otra placa ... de 3.1 k.
Gracias por su tiempo y felices fiestas
Disculpa la tardanza, estos días festivos son un tanto ajetreados.
Tal cual lo dices, el transistor 2 de la placa para reciclar es el único en buen estado, los demás son para material de relleno.
Lo que se hacia en mis tiempos para encontrar un transistor de reemplazo era buscar el numero del transistor en el catálogo NTE (era como una antigua guía telefónica que vendían en las tiendas de electrónica), si estaba listado encontrábamos la referencia del equivalente y luego buscábamos otros transistores con diferentes nomenclaturas pero que tuvieran el mismo equivalente NTE y con eso teníamos resuelto el reemplazo, ahora eso se encuentra en la web fácilmente.
Encontré un sitio que da los equivalentes de forma mucho más rápida.
Aqui estan los datasheets del mje13009
Y Aqui estan los equivalentes
1.BLD139D Si NPN 100 700 400 9 12 150 10 TO220_TO220S
2.BUL74B Si NPN 100 800 400 0 14 200 8 TO220
3.BUL89 Si NPN 0 850 400 0 12 10 TO220
4.ECG379 Si NPN 100 700 400 0 12 175 20 TO220
5.MJE13009 Si NPN 100 700 400 9 12 150 160 8 TO220
6.MJE13009A Si NPN 130 700 400 12 12 150 10 TO3P_TO220_TO220S
Espero no ir muy rápido, cualquier duda click -->pedir más info.
PD: Respecto al valor de las resistencias prefiero repetir los valores de otras placas que llevan el mismo transistor, aunque sean de medio valor el alto voltaje los carbonizo a los resistores. Use la opción 3.1K.
- Compartir respuesta
Lamento no estar de nuevo de acuerdo con Vd. No se puede acusar a la gran mayoría de fuentes chinas o no, de obsolescencia programada, más que en un solo componente, en el que coinciden todas: Los electrolíticos del circuito secundario, que no es este caso. La culpable de los "chispazos" suele ser la baja calidad de la red, con subidas de tensión tanto transitorias como duraderas. - Botijo Antiguo
saludos